Texas Instruments Module d'évaluation (EVM) HDC3120EVM
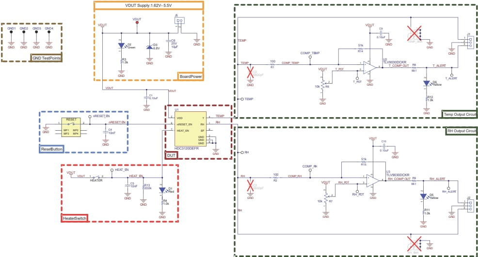
Le module d'évaluation (EVM) HDC3120EVM Texas Instruments est conçu pour démontrer les performances du capteur de température et d'humidité analogique HDC3120. Ce module offre une flexibilité d'évaluation et d'intégration au niveau du système qui permet aux utilisateurs de tester le comportement du capteur dans diverses conditions de température, d'humidité et d'alimentation électrique. Le module HDC3120EVM dispose de deux comparateurs TLV9030 intégrés, qui fournissent des sorties d'alerte analogiques lorsque la sortie analogique de température ou d'humidité du HDC3120 dépasse un seuil défini par l'utilisateur. Les applications typiques incluent la direction assistée électronique (EPS), les systèmes de gestion de batterie (BMS), la HVAC, les convertisseurs, les centres de données, les systèmes d'alimentation des télécommunications, les appareils électroménagers et les infrastructures d'énergie.Caractéristiques
- Application simple pour vérifier la fonctionnalité de température et d'humidité du HDC3120
- Les comparateurs TLV9030 inclus permettent une fonction similaire à un interrupteur pour une évaluation supplémentaire du capteur dans le processus de conception de l'équipement final
- Une large gamme de connexion et de points d'essai pour la commodité de l'utilisateur
Applications
- Grands appareils :
- Lave-vaisselle
- Lave-linge et sèche-linge
- Réfrigérateurs et congélateurs
- Infrastructures d'énergie :
- Systèmes de stockage d'énergie sur batterie
- Automatisation à distance de la distribution d'énergie
- Centres de données
- Systèmes d'alimentation des télécommunications
- Automobile :
- Direction assistée électronique (EPS)
- Système de gestion de batterie (BMS)
- HVAC
- Convertisseurs
Présentation de la carte
Schéma
Publié le: 2025-06-30
| Mis à jour le: 2025-07-17
