Texas Instruments Convertisseur série-parallèle DS90UR905Q FPD-Link II Texas Instruments
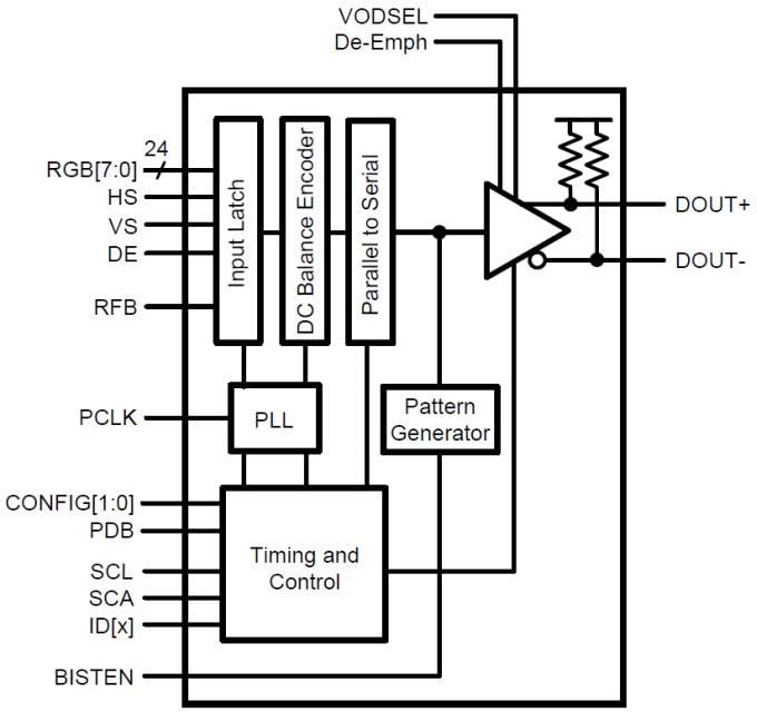
Le convertisseur série-parallèle DS90UR905Q FPD-Link II Texas Instruments convertit une interface vidéo RGB parallèle en une interface sérialisée à haut débit sur paire unique. La structure de bus série facilite grandement la conception de systèmes en éliminant les problèmes de déphasage entre l'horloge et les données, réduit le nombre de broches du connecteur, réduit la taille de l'interconnexion, le poids et le coût et simplifie l'ensemble du tracé du PCB. De plus, le décodage interne CC équilibré est utilisé pour prendre en charge les interconnexions à couplage CA. Le DS90UR905Q incorpore l'horloge, équilibre la charge utile de données et décale les niveaux des signaux afin de générer une signalisation différentielle basse tension à haute vitesse. Jusqu'à 24 entrées sont sérialisées en même temps que trois signaux de contrôle vidéo. Ceci permet de prendre en charge des couleurs complètes sur 24 bits ou 18 bits et des applications à 6 signaux universels (par ex. Audio I2S).Caractéristiques
- 5 – 65MHz PCLK support (140Mbps – 1.82Gbps)
- AC coupled STP interconnect cable up to 10 meters
- Integrated terminations on Ser and Des
- @ Speed link BIST mode and reporting pin
- Optional I2C compatible Serial Control Bus
- RGB888 + VS, HS, DE support
- Power down mode minimizes power dissipation
- 1.8V or 3.3V compatible LVCMOS I/O interface
- Automotive grade product: AEC-Q100 Grade 2 qualified
- >8 kV HBM and ISO 10605 ESD Rating
- Backward compatible mode for operation with older generation devices
Applications
- Automotive displays
- Navigation
- Entertainment
Block Diagram
Vidéos
Publié le: 2013-10-09
| Mis à jour le: 2024-06-25
