Texas Instruments DS90UB962-Q1 FPD-Link III Deserializer Hub
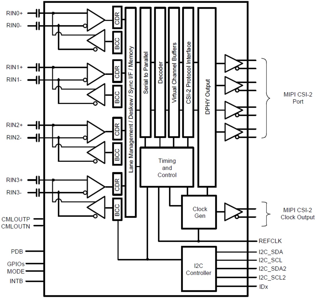
Texas Instruments DS90UB962-Q1 FPD-Link III Deserializer Hub is a versatile sensor hub capable of connecting serialized sensor data received from four independent video data streams through an FPD-Link III interface. When paired with a DS90UB935A-Q1, DS90UB953-Q1, DS90UB913A-Q1, or DS90UB933-Q1 serializer, the DS90UB962-Q1 receives data from 1Megapixel image sensors supporting a 720p / 800p / 960p / 1MP resolution at 30Hz or 60Hz frame rates. Data is received and aggregated into a MIPI CSI-2 compliant output for interconnecting to a downstream processor.The DS90UB962-Q1 includes four FPD-Link III deserializers, each enabling a connection through cost-effective 50Ω single-ended coaxial or 100Ω differential STP cables. The receive equalizers automatically adapt to compensate for cable loss characteristics, including degradation over time.
Each of the FPD-Link III interfaces also includes a separate low latency bidirectional control channel that continuously conveys I2C, GPIOs, and other control information. General-purpose I/O signals such as those required for camera synchronization and diagnostics features also make use of this bi-directional control channel.
Features
- AEC-Q100 Qualified for automotive applications
- Device temperature grade 2: –40℃ to +105℃ ambient operating temperature range
- Quad 3Gbps deserializer hub aggregates data from up to 4 sensors simultaneously
- Supports 1Megapixel sensors with HD 720p/800p/960p/1MP resolution at 30Hz or 60Hz frame rate
- Precise multi-camera synchronization
- MIPI DPHY Version 1.2 / CSI-2 Version 1.3 Compliant
- 1 × CSI-2 MIPI Output port
- Supports 1, 2, 3, and 4 data lanes
- CSI-2 Data rate scalable for 400Mbps / 800Mbps / 1.2Gbps / 1.5Gbps / 1.6Gbps per data lane
- Port replication mode
- Ultra-low data and control path latency
- Supports single-ended coaxial including Power-over-Coax (PoC) or Shielded Twisted-Pair (STP) cable
- Adaptive receive equalization
- Dual I2C ports with fast-mode plus up to 1Mbps
- Flexible GPIOs for sensor synchronization and diagnostics
- Compatible With DS90UB935-Q1, DS90UB953-Q1, DS90UB913A-Q1, and DS90UB933-Q1 serializers
- Internal programmable precision frame sync generator
- Line fault detection and advanced diagnostics
Applications
- Automotive ADAS
- Rear View Cameras (RVC)
- Surround View Systems (SVS)
- Camera Monitoring Systems (CMS)
- Forward Vision Cameras (FC)
- Driver Monitoring Systems (DMS)
- Satellite RADAR, Time-of-Flight (ToF), and LIDAR sensors modules
- Sensor fusion
- Security and surveillance
Functional Block Diagram
Videos
Publié le: 2018-10-08
| Mis à jour le: 2025-03-10
