Texas Instruments Concentrateur de désérialiseur FPD-Link III Quad DS90UB662-Q1
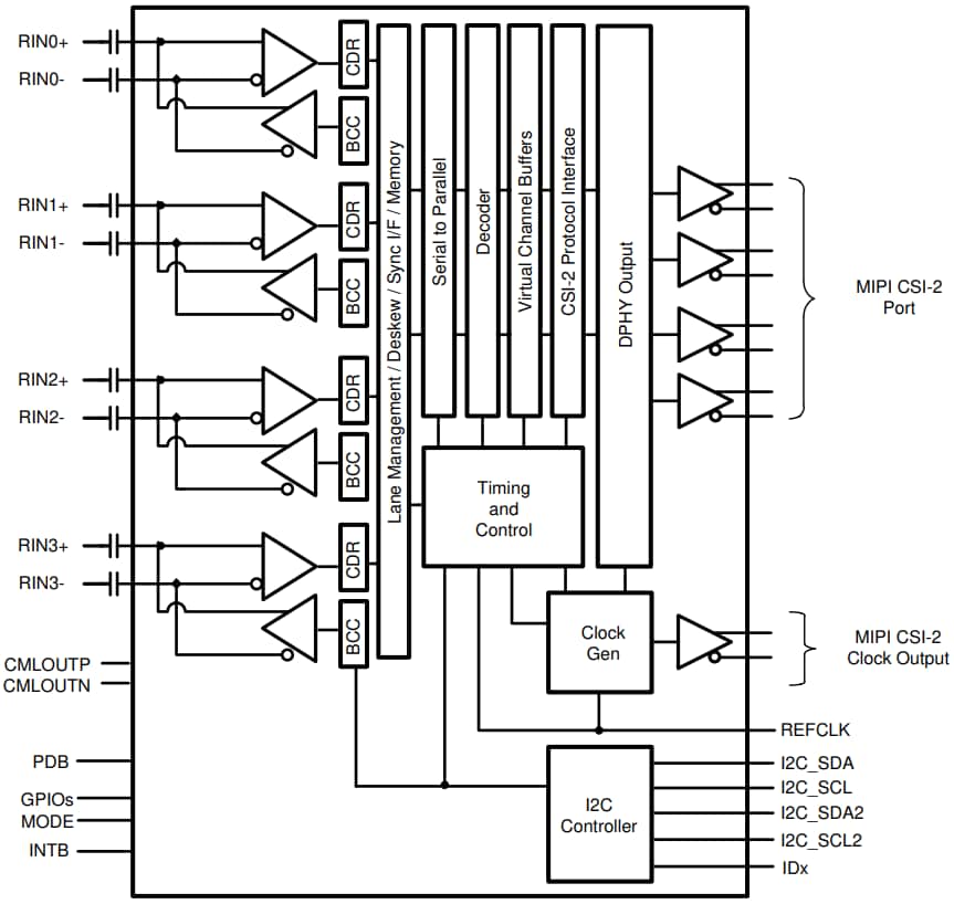
Le concentrateur de désérialiseur FPD-Link III quadruple DS90UB662-Q1 de Texas Instruments est un concentrateur de capteurs polyvalent capable de connecter des données de capteurs sérialisées reçues de quatre flux de données vidéo indépendants via une interface FPD-Link III. Associé à un sérialiseur CSI-2 DS90UB633A-Q1 ou DS90UB63x, le DS90UB662-Q1 reçoit des données provenant de capteurs d’images de 1 mégapixel prenant en charge la résolution 720 p/800 p/960 p/1 MP à des fréquences d’images de 30 Hz ou 60 Hz. Les données sont reçues et regroupées en une sortie conforme MIPI CSI-2 pour une interconnexion à un processeur en aval.Le DS90UB662-Q1 de Texas Instruments comprend quatre désérialiseurs FPD-Link III, chacun permettant une connexion via des câbles coaxiaux asymétriques de 50 Ω économiques ou des câbles STP différentiels de 100 Ω. Les égaliseurs de réception s’adaptent automatiquement pour compenser les caractéristiques de perte du câble, y compris la dégradation au fil du temps. Chaque interface FPD-Link III comprend également un canal de contrôle bidirectionnel séparé à faible latence qui transmet en continu des informations de contrôle I2C, GPIO et autres. Les signaux d’E/S à usage général, tels que ceux requis pour la synchronisation de la caméra et les caractéristiques de diagnostic, utilisent également ce canal de contrôle bidirectionnel.
Le DS90UB662-Q1 est qualifié AEC-Q100 pour les applications automobiles et est proposé dans un boîtier VQFN 64 broches économique et peu encombrant.
Caractéristiques
- Homologué AEC-Q100 pour les applications automobiles :
- Plage de température de fonctionnement ambiante de –40 C à +105 C (température de dispositif de classe 2)
- Niveau de classification de composant HBM ESD ±3 kV
- Niveau C5 dans la classification des dispositifs CDM ESD
- Le concentrateur de désérialiseur quadruple regroupe simultanément les données de jusqu’à quatre capteurs
- Prend en charge les capteurs de 1 mégapixel avec une fréquence d’images allant jusqu’à 60 Hz et les capteurs de 2 mégapixels avec une fréquence d’images allant jusqu’à 30 Hz.
- Synchronisation multi-caméras précise
- Conforme MIPI DPHY version 1.2 / CSI-2 version 1.3
- Un Port de sortie MIPI × CSI-2
- Prend en charge 1, 2, 3, 4 voies de données
- Débit de données CSI-2 évolutif pour 400 Mb / s/800 Mb / s/1,2 Gb / s/1,5 Gb/s par voie
- Latence de chemin de contrôle et de données Ultra-faible
- Prend en charge les câbles coaxiaux asymétriques, y compris Power-over-Coax (PoC) ou blindés à paires torsadées (STP)
- Égalisation de réception adaptative
- Deux accès I2C avec mode rapide et jusqu’à 1 Mb/s
- GPIO flexibles pour le diagnostic et la synchronisation des capteurs
- Compatible avec le sérialiseur DS90UB633A-Q1 et les sérialiseurs CSI-2 DS90UB63x
- Générateur interne programmable de synchronisation de trame de précision
- Détection de défaillance de ligne et diagnostics avancés
- Compatible avec la sécurité fonctionnelle
- Documentation disponible pour faciliter la conception du système ISO 26262
Applications
- ADAS automobiles
- Caméras de vue arrière (RVC)
- Systèmes de vision Surround (SVS)
- Systèmes de surveillance de caméra (CM)
- Caméras de Vision directe (FC)
- Systèmes de surveillance des pilotes (DMS)
- Modules de capteurs LiDAR, ToF (temps de vol) et RADAR pour satellites
- Fusion de capteur
- Surveillance et sécurité
Schéma de principe fonctionnel
