Texas Instruments Resynchroniseur multi-débit à quatre canaux DS560DF410
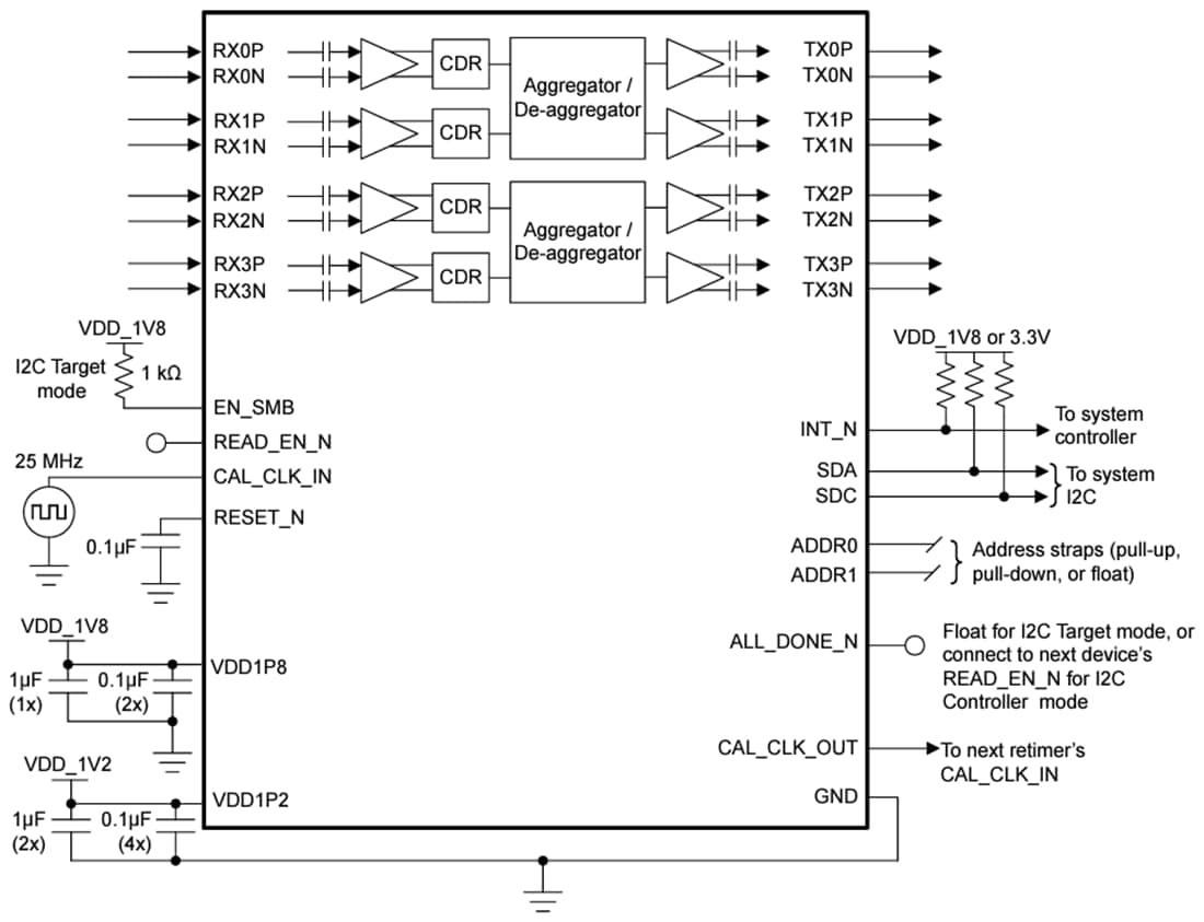
Le resynchroniseur multi-débit à quatre canaux DS560DF410 de Texas Instruments est fourni avec un conditionnement de signal intégré. Le composant étend la robustesse et la portée des liaisons série haute vitesse, sujettes à des pertes, longues et à faible diaphonie. Chaque canal du DS560DF410 se verrouille indépendamment des débits de symboles (NRZ et PAM4) dans une plage continue de 19,6 à 28,9 GBd ou tout sous-débit pris en charge. La fonction CDR intégrée est idéale pour les applications de module optique à port frontal pour réactiver les données série haute vitesse et réinitialiser le budget de vacillement. Ces caractéristiques permettent un passage de correction d'erreur directe (FEC) de voie individuelle. De plus, le DS560DF410 prend en charge la commutation automatique du débit de voie pour le verrouillage CDR jusqu'à cinq combinaisons différentes de types de modulation et de débits en bauds sans intervention de l'hôte.Les caractéristiques d'égalisation avancées du DS560DF410 de Texas Instruments comprennent un égaliseur linéaire à temps continu (CTLE) adaptatif en continu, un égaliseur de rétroaction de décision (DFE), un égaliseur d'alimentation directe (FFE) RX et un filtre d'égaliseur d'alimentation directe (FFE) TX à 4 voies programmable et à faible gigue. Ces caractéristiques permettent une extension de portée pour les interconnexions sujettes à des pertes telles que les câbles en cuivre (CNA) à fixation directe et les panneaux arrière avec connecteurs multiples et diaphonie. Le DS560DF410 dispose d'un multiplexeur et d'une boîte de vitesses de démultiplexeur pour une simple conversion PAM4 vers NRZ ou NRZ vers PAM4 entre l'hôte et le module. La boîte de vitesses peut agréger une paire d'entrées NRZ jusqu'à 28,9 GBd vers une sortie PAM4 de 28,9 GBd et désagréger une entrée PAM4 unique de 28,9 GBd vers une paire de sorties NRZ de 28,9 GBd.
Le DS560DF410 peut être configuré soit via I2C, soit via une EEPROM externe. Jusqu'à 16 dispositifs peuvent partager une EEPROM unique.
Caractéristiques
- Resynchroniseur octal multi-protocoles avec conditionnement de signal intégré
- Tous les canaux se verrouillent indépendamment des débits de données PAM4 et NRZ de 19,6 à 28,9 Gbps (y compris les sous-débits divisés par 2 et divisés par 4)
- Adapté aux applications jusqu'à CEI-56G, Ethernet™ (400GbE), canal optique (64GFC), InfiniBand™ (HDR) et circuit imprimé CPRI/eCPRI, câble cuivre et optiques
- Faible latence : < 2 000 ps (standard) à 26,5625 GBd
- Égaliseur linéaire à temps adaptatif en continu (CTLE), égaliseur d'alimentation directe (FFE) RX et égaliseur de rétroaction de décision (DFE) pour prendre en charge une perte de canal de plus de 30 dB à 13,28 GHz
- Commutation automatique de la vitesse de voie pour le verrouillage CDR jusqu'à cinq combinaisons différentes de débits en bauds et de types de modulation
- Point de passage 2×2 intégré
- Filtre FFE TX réglable à 4 dérivations
- Prise en charge du mode boîte de vitesses (multiplexeur/démultiplexeur binaire NRZ/PAM4, sérialiseur/désérialiseur NRZ/PAM4)
- Moniteur d'ouverture oculaire (EOM) sur puce, générateur PRBS et vérificateur PRBS pour débogage
- Alimentations bipolaires asymétriques 1,8 V et 1,2 V
- Plage de température de fonctionnement : -40 °C à +85 °C
- Boîtier BGA de 7,65 mm × 7,65 mm avec condensateurs de couplage CA intégrés
Applications
- Câbles électriques actifs (AEC) (SFP, SFP-DD, QSFP, QSFP-DD, OSFP)
- Extension de portée de l'interface de l'unité de fixation C2C du panneau arrière (KR) et du plan médian (AUI)
- Nettoyage de vacillement d'interface d'unité de fixation (AUI) C2M au port avant
- Doublage de vitesse (boîte de vitesses) avec agrégation et désagrégation NRZ-à-PAM4
Schéma simplifié
