Texas Instruments Pilotes de moteur à double pont en H DRV8848
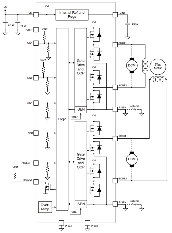
Les pilotes de moteur à double pont en H DRV8848 de Texas Instruments intègrent deux ponts H utilisant des pilotes NMOS et une circuiterie de régulation de détection de courant. Le bloc de sortie de chaque pilote de pont en H se compose de MOSFET de puissance configuré à canal N et à canal P configurés en ponts en H complets pour piloter les enroulements du moteur. Chaque pont en H comprend une circuiterie pour réguler le courant d'enroulement à l'aide d'un schéma de découpage à temps d'extinction fixe. Ces pilotes alimentent un courant de 2 A par sortie ou 4 A de courant en mode parallèle (avec un bon système de dissipation thermique, à 12 V et 25 °C TA). Les pilotes DRV8848 disposent d'un verrouillage de sous-tension (UVLO), d'une protection contre les surintensités (OCP), d'un arrêt thermique (TSD) et d'une broche d'indication de condition de défaut (nFAULT). Ces pilotes sont utilisés dans les appareils, les moteurs à brosses et les moteurs pas à pas en général, ainsi que dans les imprimantes.Caractéristiques
- Pilote de moteur à double pont en H :
- CC à brosses simples/doubles
- Moteur pas à pas
- Haut courant de sortie par pont en H :
- Courant de pilote maximum de 2 A à 12 V et TA= 25 °C
- Mode parallèle disponible capable d'un courant de pilote maximal de 4 A à 12 V et TA= 25 °C
- Plage de tension d'alimentation de fonctionnement de 4 à 18 V
- Coté haut + coté bas = 900 mΩ (standard, 25 °C) faible résistance à l'état passant
- Interface de contrôle MLI
- Régulation de courant en option avec temps d'extinction fixe de 20 μs
- Mode veille à faible courant de 3 µA
- Boîtier monté en surface avec amélioration thermique
- Fonctions de protection
- Verrouillage de sous-tension (UVLO)
- Protection contre les surintensités (OCP)
- Arrêt thermique (TSD)
- Broche d'indication de condition de défaut (nFAULT)
Applications
- Imprimantes
- Moteurs à brosse et moteurs pas à pas généraux
- Appareils
Schéma fonctionnel
Schéma de principe simplifié
Publié le: 2025-01-22
| Mis à jour le: 2025-02-19
