Texas Instruments Pilote de grille CC à balais 100 V DRV8770
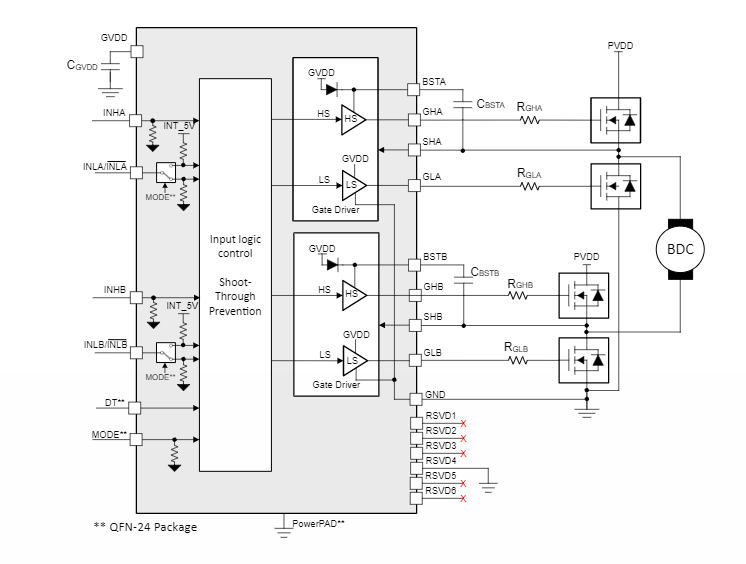
Le pilote de grille CC à balais 100 V DRV8770 de Texas Instruments fournit deux pilotes de grille demi-pont, chacun capable de piloter des MOSFET de puissance à canal N côté haut et côté bas. La diode d'amorçage intégrée et le condensateur externe génèrent les tensions de pilote de grille correctes pour les MOSFET côté haut tandis que le GVDD pilote les grilles des MOSFET côté bas. L'architecture de pilote de grille prend en charge les courants de pilote de grille jusqu'à 750 mA en source et 1,5 A en dissipation. La tolérance à haute tension des broches de pilote de grille améliore la robustesse du système.Le pilote de grille CC à balais 100 V DRV8770 de TI fournit des broches de phase SHx pour tolérer des tensions transitoires négatives importantes. En même temps, l'alimentation du pilote de grille côté haut peut prendre en charge des tensions transitoires positives plus élevées (115 V maximum absolu) sur les broches BSTx et GHx. Le rendement est encore amélioré grâce aux spécifications de faible délai de propagation et de correspondance de délai pour minimiser les exigences de temps mort. La protection contre les sous-tensions est fournie pour les côtés bas et haut via le verrouillage de sous-tension GVDD et BST.
Caractéristiques
- Pilote de grille à pont en H 100 V
- Pilote des MOSFET à canal N (NMOS)
- Alimentation de pilote de grille (GVDD) de 5 V à 20 V
- L'alimentation de MOSFET (SHx) prend en charge jusqu'à 100 V
- Diodes d'amorçage intégrées
- Prend en charge les entrées INLx inverses et non inverses (boîtier QFN)
- Architecture de pilote de grille d'amorçage
- Courant source 750 mA
- Courant de dissipation 1,5 A
- Prend en charge jusqu'à 15 applications alimentées par batterie
- Faible courant de fuite sur les broches SHx (<55 µA)
- Tension BSTx maximale absolue jusqu'à 115 V
- Prend en charge les transitoires négatifs jusqu'à -22 V sur les broches SHx
- Temps mort réglable via la broche DT dans le boîtier QFN
- Insertion à temps mort fixe de 200 ns dans le boîtier TSSOP
- Prend en charge les entrées logiques 3,3 V et 5 V avec 20 V abs max.
- Correspondance du délai de propagation standard de 4 ns
- Boîtiers et empreintes QFN et TSSOP compacts
- Conception du système efficace avec blocs d'alimentation
- Caractéristiques de protection intégrées
- Verrouillage de sous-tension BST (BSTUV)
- Sous-tension GVDD (GVDDUV)
Applications
- Vélos électriques, trottinettes électriques et mobilité électronique
- Outils de jardin sans fil et électriques, tondeuses à gazon
- Aspirateurs sans fil
- Drones, robotique et jouets RC
- Robots industriels et logistiques
- Outils électriques
Schéma simplifié
Schéma fonctionnel
Publié le: 2022-03-14
| Mis à jour le: 2023-04-12
