Texas Instruments Pilote de grille intelligent à pont en H DRV8705-Q1
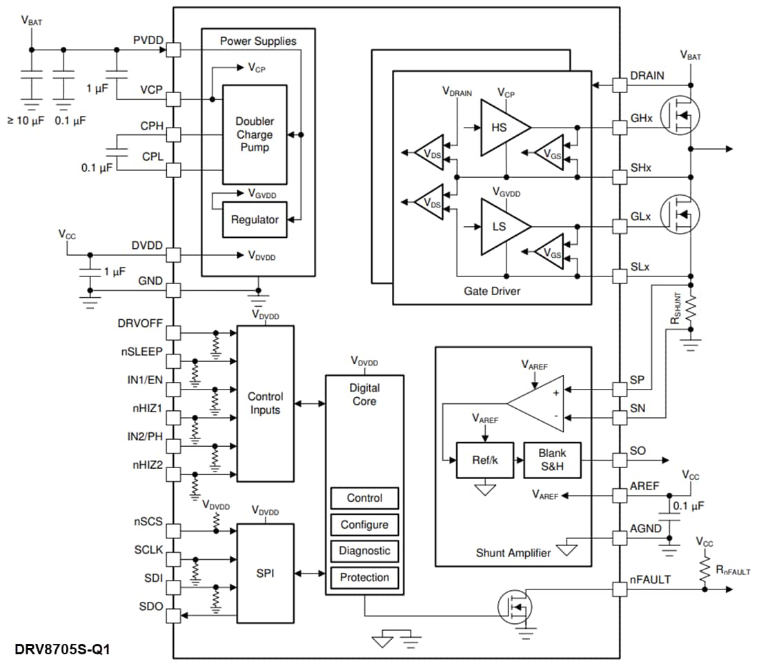
Le pilote de grille intelligent à pont en H DRV8705-Q1 de Texas Instruments est un pilote de grille à pont en H hautement intégré, capable de piloter des MOSFET de puissance à canal N côté haut et côté bas. Il génère les tensions de commande de grille appropriées à l'aide d'une pompe de charge à douille intégrée pour le côté haut et d'un régulateur linéaire pour le côté bas. Le dispositif utilise une architecture de pilote de grille intelligente pour réduire les coûts du système et améliorer la fiabilité. Le pilote de grille optimise le temps mort pour éviter les conditions de basculement. Il fournit également un contrôle pour réduire les interférences électromagnétiques (EMI) à travers le courant de commande de grille réglable et protège contre les conditions de drain vers la source et de court-circuit de grille avecles moniteurs V DS et VGS.Un amplificateur de shunt côté bas permet une détection de courant pour mesurer le courant du moteur et fournir une rétroaction au contrôleur externe pour la limitation de courant ou la détection de butée. Le DRV8705-Q1 de Texas Instruments fournit une gamme de fonctions de protection pour assurer un fonctionnement solide du système. Ils comprennent des moniteurs de sous-tension et de surtension pour la pompe d'alimentation et de charge,des moniteurs de surintensité V DS et de défaillance de grille VGS pour les MOSFET externes, des diagnostics de charge ouverte et de court-circuit hors ligne, ainsi qu'une protection interne contre l'alerte thermique et l'arrêt.
Caractéristiques
- Certifiés AEC-Q100 pour les applications automobiles
- –40°C à +125 C, TA classe de température 1
- Compatible avec la sécurité fonctionnelle
- Documentation disponible pour aider à la conception de systèmes de sécurité fonctionnels
- Pilote de grille intelligent à pont en H
- Plage de fonctionnement de 4,9 V à 37 V (abs. 40 V max.)
- Pompe de charge doublée pour PWM 100 %
- Modes de commande demi-pont et pont en H
- Variantes de pilote de grille broche à broche
- DRV8106-Q1 : demi-pont avec amplificateur en ligne
- DRV8706-Q1 : pont en H avec amplificateur en ligne
- Architecture de pilote de grille intelligent
- Commande de vitesse de balayage réglable
- Sortie de courant source de crête de 0,5 mA à 62 mA
- Sortie de courant de sortie de crête de 0,5 mA à 62 mA
- Horodatage intégré
- Amplificateur de shunt de courant côté bas
- Réglages de gain réglables (10, 20, 40, 80 V/V)
- Résistances de rétroaction intégrées
- Schéma d'obturation PWM réglable
- Plusieurs options d'interface disponibles
- SPI : configuration et diagnostics détaillés
- H/W : contrôle simplifié et moins de broches de MCU
- Horloge à spectre étendu pour réduction EMI
- Boîtier VQFN compact avec flancs mouillables
- Caractéristiques de protection intégrées
- Broche de désactivation de pilote dédié (DRVOFF)
- Moniteurs de tension d'alimentation et de régulateur
- Moniteurs de surintensité VDS MOSFET
- Moniteurs de défaillance de grille VGS MOSFET
- Pompe de charge pour MOSFET à polarité inverse
- Diagnostics hors ligne de charge ouverte et de court-circuit
- Avertissement thermique et arrêt du dispositif
- Broche d'interruption de condition de défaillance (ndéfaillance)
Applications
- Moteurs CC à balai automobiles
- Relais et solénoïdes
- Porte coulissante et élévateur de fenêtre électrique
- Toit solaire électrique
- Modules de sièges électriques
- Grille de l'élévateur et du tronc d'alimentation
- Pompes à carburant, à eau et à huile BDC
- Essuie-glaces
Schéma de principe du DRV8705S
Schéma de principe DRV8705H
Publié le: 2021-05-18
| Mis à jour le: 2022-03-11
