Texas Instruments Pilotes de moteur FET intégrés triphasés DRV8376-Q1
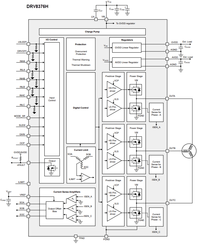
Les pilotes de moteur FET intégrés DRV8376-Q1 3 phases de Texas Instruments proposent un pilote de grille et un étage de puissance pour actionner des moteurs brushless-DC de 4,5 V à 65 V. Ces pilotes de moteur comportent trois ponts 1/2-H avec une capacité maximale absolue de 70 V et une très faible résistance RDS(ON) de 400 mΩ (côté haut et côté bas). Les pilotes de moteur DRV8376-Q1 prennent en charge une fréquence MLI allant jusqu'à 100 kHz, une limite de courant cycle par cycle pour limiter le courant de phase, une démagnétisation active et des systèmes de 48 V. Ces dispositifs contiennent 6 ou 3 options de contrôle MLI pour mettre en œuvre un contrôle orienté de champ (FOC) avec ou sans capteur, un contrôle sinusoïdal ou un contrôle trapézoïdal à l'aide d'un microcontrôleur externe. Les dispositifs DRV8376-Q1 sont qualifiés AEC-Q100 pour les applications automobiles. Les applications typiques comprennent les modules de moteurs à courant continu sans balais (Brushless-DC ou BLDC), les moteurs HVAC, les machines de bureautique, l'automatisation d'usine et la robotique, les moteurs d'antennes sans fil et les drones.Les pilotes de moteur DRV8376-Q1 intègrent un régulateur LDO de 3,3 V (5 %), 30 mA et un régulateur LDO de 5 V (5 %), 30 mA. Les fonctions de protection sont les suivantes : verrouillage en cas de sous-tension (UVLO), sous-tension de la pompe de charge (CPUV), protection contre les surintensités (OCP), alerte thermique et arrêt (OTW/OTSD) et broche d'indication d'état de défaut (nFAULT).
Caractéristiques
- Pilote de moteur BLDC triphasé :
- Prend en charge les systèmes 48 V
- Prend en charge une fréquence MLI PWM allant jusqu'à 100 kHz
- Démagnétisation active pour réduire les pertes de puissance
- Limite du courant cycle par cycle pour limiter le courant de phase
- Tension d'exploitation de 4,5 V à 65 V (70 V maximum absolu)
- Capacité de courant de sortie élevé de 4,5 A
- 400 mΩ RDS(ON) (HS + LS) à TA = 25 °C faible résistance à l'état passant du MOSFET
- Les options de vitesse de balayage réglable réduisent les pertes de commutation grâce à une vitesse de balayage de 1.1V/ns et une technique de minimisation des pertes de récupération inverse
- Faible bruit audible et facilité de contrôle du moteur avec un temps mort ultra-faible <200 ns="" et="" un="" retard="" de="" propagation="">200><100>100>
- 1,5 µA standard à VVM = 24 V, TA = 25 °C en mode veille à faible puissance
- Plusieurs options d'interface de contrôle :
- 6 interfaces de contrôle MLI
- 3 interfaces de contrôle MLI
- Ne nécessite pas de résistances de détection de courant externes, détection de courant intégrée
- Options de configuration du dispositif flexibles :
- DRV8376S : SPI 16 bits 5 MHz pour la configuration des dispositifs et l'état des défauts
- DRV8376H : configuration matérielle basée sur les broches
- Prend en charge les entrées logiques 1,8 V 3,3 V et 5 V
- Régulateur LDO intégré de 3,3 V (5 %), 30 mA
- Régulateur LDO intégré de 5 V (5 %), 30 mA
- Fonctionnalités de protection intégrées :
- Verrouillage de sous-tension d'alimentation (UVLO)
- Sous-tension de la pompe de charge (CPUV)
- Protection contre la surintensité (OCP)
- Avertissement thermique et arrêt (OTW/OTSD)
- Broche d'indication d'état de défaut (nFAULT)
- Diagnostic des défauts en option via SPI
Applications
- Modules de moteur brushless-CC (BLDC)
- Moteurs HVAC
- Machines et automatismes bureautiques
- Automatisation d'usine et robotique
- Moteur d'antenne sans fil
- Drones
Schéma
Publié le: 2025-07-03
| Mis à jour le: 2025-07-28
