Texas Instruments Pilotes de grille triphasés DRV8300/DRV8300-Q1
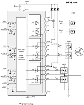
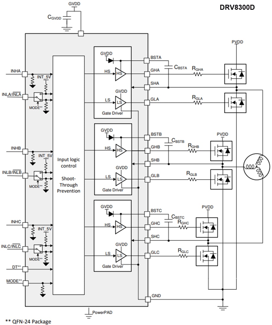
Les pilotes de grille triphasés DRV8300/DRV8300-Q1 de Texas Instruments fournissent trois pilotes de grille demi-pont, chacun capable de piloter des MOSFET d'alimentation à canal N côté haut et côté bas. Le DRV8300D/DRV8300D-Q1 génère les tensions d'entraînement de grille correctes à l'aide d'une diode bootstrap intégrée et d'un condensateur externe pour les MOSFET côté haut. Le DRV8300N génère les tensions d'entraînement de grille correctes à l'aide d'une diode bootstrap externe et d'un condensateur externe pour les MOSFET côté haut. Le GVDD est utilisé pour générer une tension de commande de grille pour les MOSFET côté bas. L'architecture de commande de grille DRV8300/DRV8300-Q1 de Texas Instruments prend en charge des courants de pointe allant jusqu'à 750 mA à la source et 1,5 A à la source.Les broches de phase SHx peuvent tolérer les tensions transitoires négatives significatives, tandis que l’alimentation du pilote de porte latérale élevée BSTx et GHx peut prendre en charge des tensions transitoires positives plus élevées (115 V) à la tension maximale. Cette caractéristique améliore la robustesse du système. Un faible retard de propagation et des caractéristiques techniques de correspondance de retard minimisent les exigences en matière de temps mort, ce qui améliore encore l'efficacité. Une protection contre les sous-tensions est fournie pour les côtés bas et haut via le verrouillage de sous-tension GVDD et BST. Les dispositifs DRV8300-Q1 sont qualifiés AEC-Q100 pour les applications automobiles.
Caractéristiques
- Un triple pilote de grille à demi-pont
- Pilote trois MOSFET à canal N (NMOS) côté haut et trois côté bas
- Diodes d'amorçage intégrées (dispositifs DRV8300D)
- Prend en charge les entrées INLx inverses et non inverses
- Architecture de pilote de grille d'amorçage
- Courant source 750 mA
- Courant de dissipation 1,5 A
- Prend en charge jusqu'à 15 applications alimentées par batterie
- Le faible courant de fuite sur les broches SHx (< 55 µA)
- Tension BSTx maximale absolue jusqu'à 115 V
- Prend en charge les transitoires négatifs jusqu'à -22 V sur les broches SHx
- Prévention de conduction croisée intégrée
- Temps mort réglable via la broche DT pour les variantes de boîtier QFN
- Insertion à temps mort fixe de 200 ns pour les variantes de boîtier TSSOP
- Prend en charge des entrées logiques 3,3 V et 5 V avec 20 V max. abs
- Correspondance du délai de propagation standard de 4 ns
- Boîtiers QFN et TSSOP compacts
- Conception de système efficace avec blocs d'alimentation
- Fonctionnalités de protection intégrées
- Verrouillage de sous-tension BST (BSTUV)
- Sous-tension GVDD (GVDDUV)
Applications
- Vélos électriques, trottinettes électriques et e-mobilité
- Ventilateurs, pompes et entraînements servomoteurs
- Modules moteur Brushless-CC (BLDC) et PMSM
- Outils de jardin sans fil et électriques, tondeuses à gazon
- Aspirateurs sans fil
- Drones, robotique et jouets RC
- Robots industriels et logistiques
Fiches techniques
Publié le: 2021-01-19
| Mis à jour le: 2022-05-20
