Texas Instruments Pilote 8 canaux de côté haut DRV81080-Q1
Le pilote DRV81080-Q1 de Texas Instruments à 8 canaux de côté haut comporte une protection et des diagnostics. Il est conçu pour commander des relais, des LED des lampes et des moteurs. Une interface périphérique série (SPI) à chaîne d'alimentation commande et diagnostique les charges et le dispositif. Deux broches d'entrée à fonctionnalité de mappage permettent une commande directe des sorties. Le dispositif permet le Limp Home, pour une activation sans risque de panne totale. Les générateurs intégrés de MLI permettent de piloter des LED et le mode de mise sous tension d'ampoules permet de piloter des charges de grandes capacités. Les circuits de verrouillage de chaque sortie dissipent l'énergie lors de la mise hors tension de charges inductives.Le dispositif permet diverses fonctions de protection telles que la détection de sous-tensions, de surtensions, de courts-circuits et de charges en circuits ouverts. Un niveau élevé d'intégration à fonctionnalités intégrées de protection et de diagnostic font du DRV81080-Q1 de Texas Instruments un excellent choix pour des applications de carrosserie et de groupes motopropulseurs automobiles.
Caractéristiques
- Qualification AEC-Q100 pour applications automobiles, avec une classe thermique 1 de –40 à +125 °C, TA
- Capacité de sécurité fonctionnelle, avec une documentation permettant de faciliter la conception de la sécurité fonctionnelle
- Tension d'alimentation analogique de 3 à 40 V
- Capacité de démarrage jusqu'à 3 V
- Compatibilité avec la norme automobile LV124
- Tension d'alimentation numérique de 3 à 5,5 V, compatible avec les microcontrôleurs de 3,3 et 5 V
- -18 V maximum de tension de verrouillage entre la source et la terre
- Deux alimentations indépendantes de batterie (VM1, VM2), dont chaque broche est le drain de quatre canaux de côté haut
- RDS(ON) de 700 mΩ standard sous 12 V à 25 °C
- Courant de 330 mA par sortie à 85 °C, quand tous les canaux sont activés
- Deux entrées parallèles avec fonctionnalité de mappage
- Activation de sécurité en mode Limp Home à l'aide des broches nsLEEP et IN
- Deux générateurs internes et indépendants de MLI
- Mode d'appel d'ampoule (BIM), pour alimenter des lampes de 2 ou 5 W et des charges capacitives
- Mode veille à faible courant, ≤ 3 µA pour TJ ≤ 85 °C
- SPI de 16 bits, pour commande et diagnostic
- Capacité de montage en série
- Compatible avec des dispositifs SPI de 8 bits
- Permet diverses fonctionnalités de protection
- Protection d'inversion de la batterie
- Protection contre les courts-circuits à la terre et de batterie
- Comportement stable en cas de sous-tension
- Verrouillage de surintensité OFF
- Avertissement de surchauffe
- Verrouillage d’arrêt thermique désactivé
- Protection contre les surtensions
- Protection contre la perte de batterie et contre la perte de masse
- Protection contre les décharges électrostatiques (DES)
- Permet plusieurs fonctionnalités de diagnostic
- Informations de diagnostic via registre SPI
- Détection de surcharge à l'état ON
- Détection de charges en circuits ouverts aux états ON et OFF
- Surveillance de l'état d'entrée et de sortie
Applications
- Module de commande de zones (ZCM)
- Module de contrôle de carrosseries automobiles (BCM)
- Éclairage automobile
- Moteurs à essence et diesel
- Unité de contrôle de véhicule (VCU)
- Contrôleur logique programmable (PLC)
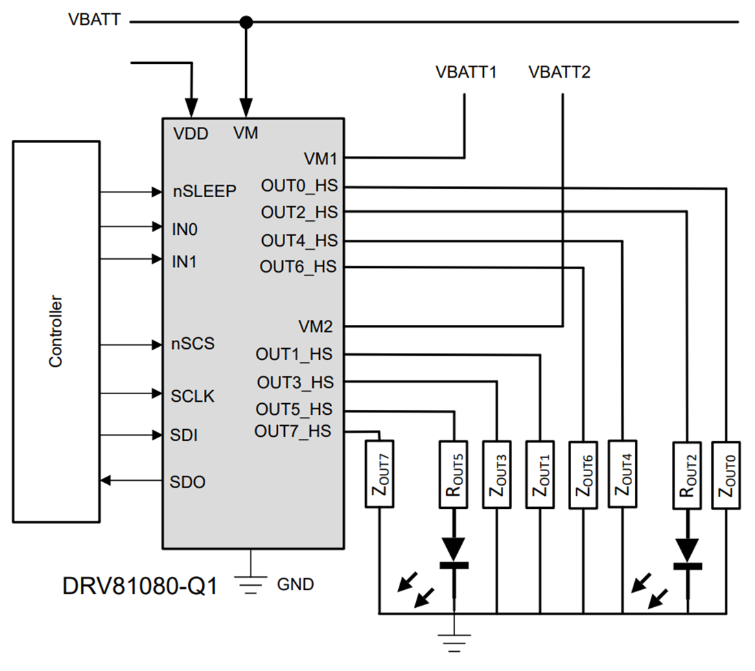
Schéma simplifié
Publié le: 2025-04-23
| Mis à jour le: 2025-05-05
