Texas Instruments Pilote côté bas à 8 canaux DRV81008-Q1
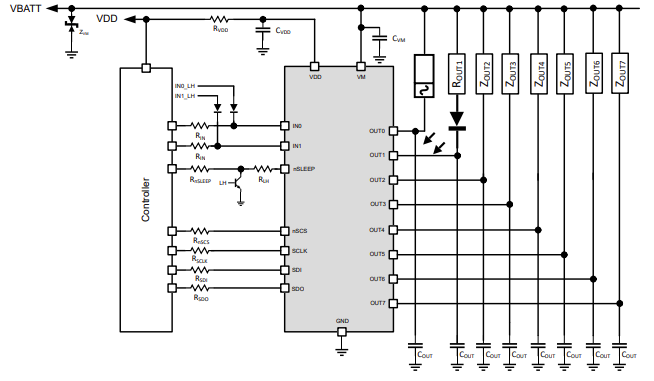
Le pilote côté bas à 8 canaux DRV81008-Q1 de Texas Instruments prend en charge un courant de 330 mA par sortie lorsque les huit canaux sont activés simultanément. Ce pilote prend également en charge le mode dégradé pour une activation à sécurité intégrée. Le pilote DRV81008-Q1 se compose de deux entrées parallèles avec une fonctionnalité de mappage. Ce pilote fournit un diagnostic de la charge via une charge ouverte (à l'état bloqué) et une détection de court-circuit. Le pilote DRV81008-Q1 dispose d'une tension de blocage drain-source minimale de 42 V, d'une interface SPI 16 bits pour le diagnostic, d'une protection d'inversion de batterie intégrée et d'une protection contre les décharges électrostatiques (DES). Ce pilote est qualifié pour les applications automobiles. Le pilote DRV81008-Q1 est utilisé dans des applications telles que le contrôle HVAC, les modules de contrôle de zone (ZCM), les unités de contrôle de véhicule (VCU) et les vannes pneumatiques.Caractéristiques
- Tension d'alimentation analogique de 3 V à 40 V :
- Capacité de démarrage jusqu'à 3 V
- Prend en charge la norme automobile LV124
- Tension de blocage drain-source minimale de 42 V
- 2 entrées parallèles avec fonctionnalité de mappage
- RDS(ON) standard de 700 mΩ à 12 V, 25 °C
- Courant de 330 mA par sortie à 85 °C, avec tous les canaux activés
- Prend en charge plusieurs fonctions de protection :
- Protection d'inversion de batterie intégrée
- Verrouillage de surintensité
- Verrouillage de coupure thermique
- Protection contre les courts-circuits vers la terre et vers la batterie
- Comportement stable en cas de sous-tension
- Protection contre la perte de batterie et la perte de terre
- Protection contre les décharges électrostatiques (DES)
- Tension d'alimentation numérique de 3 V à 5,5 V :
- Compatible avec les microcontrôleurs de 3,3 V et 5 V
- Interface SPI 16 bits pour le contrôle et le diagnostic
- Capacité de connexion en guirlande
- Compatible avec les dispositifs 8 bits
- Prend en charge les fonctions de diagnostic :
- Informations de diagnostic via le registre SPI
- Détection de surcharge à l'état passant
- Détection de charge ouverte à l'état bloqué
- Moniteur d'état d'entrée et de sortie
Applications
- Modules de contrôle de zone (ZCM)
- Contrôle HVAC
- Modules de contrôle de carrosserie (BCM) automobile
- Éclairage automobile
- Unités de contrôle du véhicule (VCU)
- Contrôleurs logiques programmables (API)
- Vannes pneumatiques
- Pilotes relais à usage général
- Moteurs à essence et diesel
Schéma fonctionnel
Schéma d'application
Ressources supplémentaires
Publié le: 2025-01-21
| Mis à jour le: 2025-05-06
