Texas Instruments Pilote de transducteur piézo à entrée MLI DRV2901
Le pilote de transducteur piézo à entrée MLI DRV2901 de Texas Instruments est un pilote de transducteur de nettoyage de lentille à hautes performances. Ce système ne nécessite qu'un simple filtre passif de démodulation LC pour fournir une amplification de haute qualité à haut rendement avec une conformité EMI éprouvée. Ce composant nécessite deux alimentations, à 12 V pour GVDD et VDD et 12 V à 48 V pour PVDD. Le DRV2901 ne nécessite pas de séquençage de mise sous tension en raison d'une réinitialisation interne à la mise sous tension.Le DRV2901 de Texas Instruments dispose d'un système de protection innovant intégré sur puce, protégeant le composant contre diverses conditions de défaut qui pourraient endommager le système. Il s'agit de protections contre les courts-circuits, les surintensités, les sous-tensions et les surchauffes. Le DRV2901 dispose d'un circuit exclusif de limitation de courant qui réduit la possibilité d'arrêt du dispositif pendant les transitoires de haut niveau.
Caractéristiques
- Large plage de tension d'alimentation de 12 V à 48 V
- Prend en charge jusqu'à 50 W de puissance de crête
- Circuits d'auto-protection intégrés, dont
- Court-circuit
- Surintensité
- Sous-tension
- Surchauffe
- Étage de puissance à haut rendement avec MOSFET de sortie de 90 mΩ
- Réinitialisation à la mise sous tension pour une protection à la mise sous tension sans séquençage d'alimentation électrique
- Boîtier HTSSOP (DDV) 44 broches
- Plage de température de fonctionnement : -40 °C à +125 °C
Applications
- Caméras d'imagerie thermique
- Caméras de surveillance de la circulation
- Vision par drone
- Caméras de vision industrielle
- Caméras de sécurité sans fil
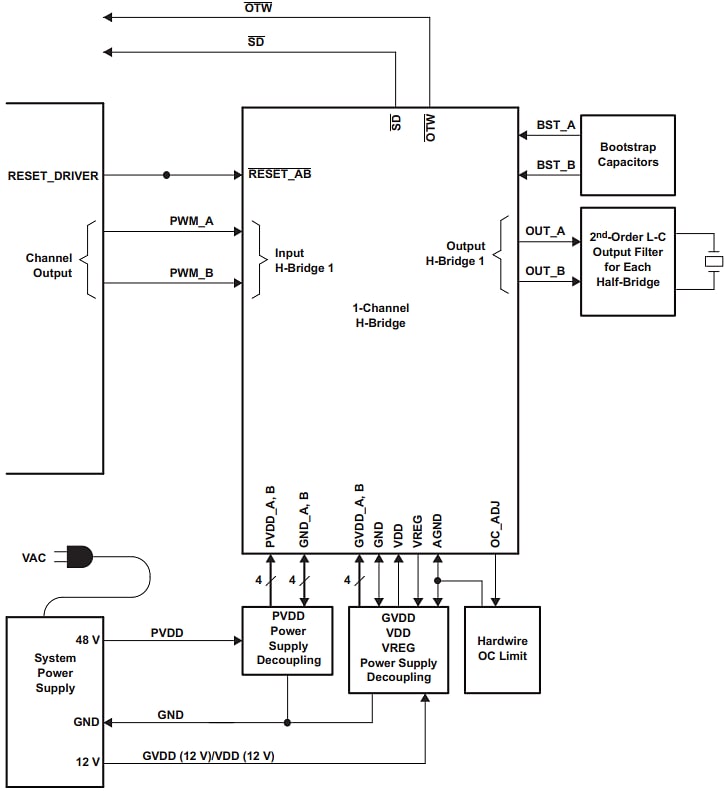
Schéma fonctionnel
Publié le: 2023-01-19
| Mis à jour le: 2024-07-11
