Texas Instruments CNA à source de courant DAC53xAxW
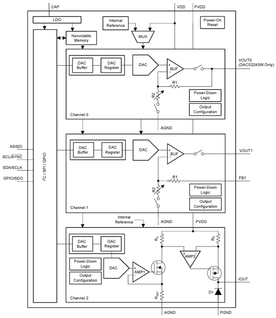
Les convertisseurs numériques-analogiques DAC53xAxW de Texas Instruments à source de courant sont des convertisseurs numériques-analogiques intelligents de 10 bits à sortie en tension et à sortie en courant tamponnées. Les dispositifs DAC53xAxW prennent en charge une source de courant qui peut être utilisée pour la commande linéaire de diodes laser et de moteurs miniatures. Ces dispositifs prennent en charge le mode de mise hors tension Hi-Z et la sortie Hi-Z pendant les conditions de mise hors tension pour la sortie de tension. Le canal 1 peut être configuré comme un CNA à sortie de tension ou un comparateur. Les CNA à sortie de tension fournissent une option de détection de force à utiliser comme comparateur programmable et dissipateur de courant. Le GPIO multifonctions, la génération de fonctions et la mémoire non volatile programmable (NVM) permettent ces CNA intelligents pour les applications sans processeur et la réutilisation de conception. Ces dispositifs détectent automatiquement les interfaces SPI ou I2C et contiennent une référence interne.L'ensemble de fonctions du DAC53xAxW de Texas Instruments, combiné à un boîtier minuscule et à une faible consommation, fait de ces CNA intelligents un excellent choix pour des applications telles que le contrôle de la puissance des diodes laser et le contrôle du moteur à bobine vocale (VCM) dans les applications d'autofocus et de zoom des objectifs d'appareils photo.
Caractéristiques
- CNA à source de courant
- DNL 1 LSB
- Deux plages (300 mA et 220 mA)
- 770 mV de marge
- Doubles (DAC532A3W uniquement) CNA à sortie de tension
- DNL 1 LSB
- Gains de 1×, 1,5×, 2×, 3× et 4×
- Mode comparateur programmable sur le canal 1
- Sortie à haute impédance quand VDD est éteint
- Modes de mise hors tension pull-down à haute impédance et résistive
- Interface compatible SPI de 50 MHz
- Détecte automatiquement I2C ou SPI à 1,62 V VIH avec VDD = 5,5 V
- Entrée/sortie à usage général (GPIO) configurable comme fonctions multiples
- Génération de forme d'onde prédéfinie : sinusoïdale, cosinusoïdale, triangulaire, en dents de scie
- Mémoire non volatile (NVM) programmable par l'utilisateur
- Interne ou alimentation comme référence
- Large plage de fonctionnement
- Alimentation électrique de 3 V à 5,5 V
- Température de –40 °C à +125 °C
Applications
- Tablette (multimédia)
- Chromebook et architecture orientée web (WOA)
- Caméra de tableau de bord
- Endoscope
- Caméra de sécurité analogique
- Caméra de sécurité sans fil
Schéma fonctionnel
Publié le: 2024-03-13
| Mis à jour le: 2024-03-21
