Texas Instruments CNA intelligent automobile DAC43902-Q1
CNA intelligent pour l'automobileDAC43902-Q1 Texas Instruments fournit quatre sorties MLI qui peuvent également fonctionner comme entrées ou sorties de déclenchement. Le DAC43902-Q1 offre une machine à états préconfigurée dont la logique génère une gradation logarithmique avec des timings configurables. La gradation logarithmique basée sur MLI est applicable dans les applications de fondu d'entrée et de sortie logarithmique dans l'éclairage intérieur et extérieur d'automobile. Le DAC43902-Q1 prend également en charge l'animation séquentielle fonctionnelle pour les clignotants automobiles. L'appareil fournit une NVM pour stocker les configurations. Ces CNA intelligents fonctionnent sans avoir besoin de processeur (fonctionnement sans processeur) grâce aux GPIO et à la NVM.Le CNA intelligent automobile DAC43902-Q1 de TI détecte automatiquement l'I2C ou la SPI et dispose d’une référence interne. L'ensemble des fonctionnalités, incorporées au petit boîtier et à la faible consommation, rendent le DAC43902-Q1 idéal pour les applications d'animation lumineuse automobile.
Caractéristiques
- HomologuéS AEC-Q100 pour les applications automobiles :
- Température de classe 1 de -40 °C à +125 °C, TA
- Sortie de modulation de largeur d'impulsion (MLI) sur les broches numériques (218 Hz à 48,8 kHz)
- Gradation logarithmique
- Fondu d'entrée et de sortie LED avec contrôle GPIO
- Comparateurs programmables et CNA configurés en GPIO
- Détecte automatiquement l'I2C ou la SPI
- 1,62 V VIH avec VDD = 5,5 V
- Animation des clignotants séquentiels
- Broche VREF/mode pour sélectionner entre les modes programmation et autonome
- Mémoire non volatile (NVM) programmable par l'utilisateur
- Alimentation interne, externe ou comme référence
- Large plage de fonctionnement
- Alimentation de 1,8 V à 5,5 V
- Plage de température de -40 ˚C à +125 ˚C
- Petit boîtier de WQFN à 16 broches (3 mm × 3 mm)
Applications
- Feux arrière
- Petit voyant
- Éclairage intérieur
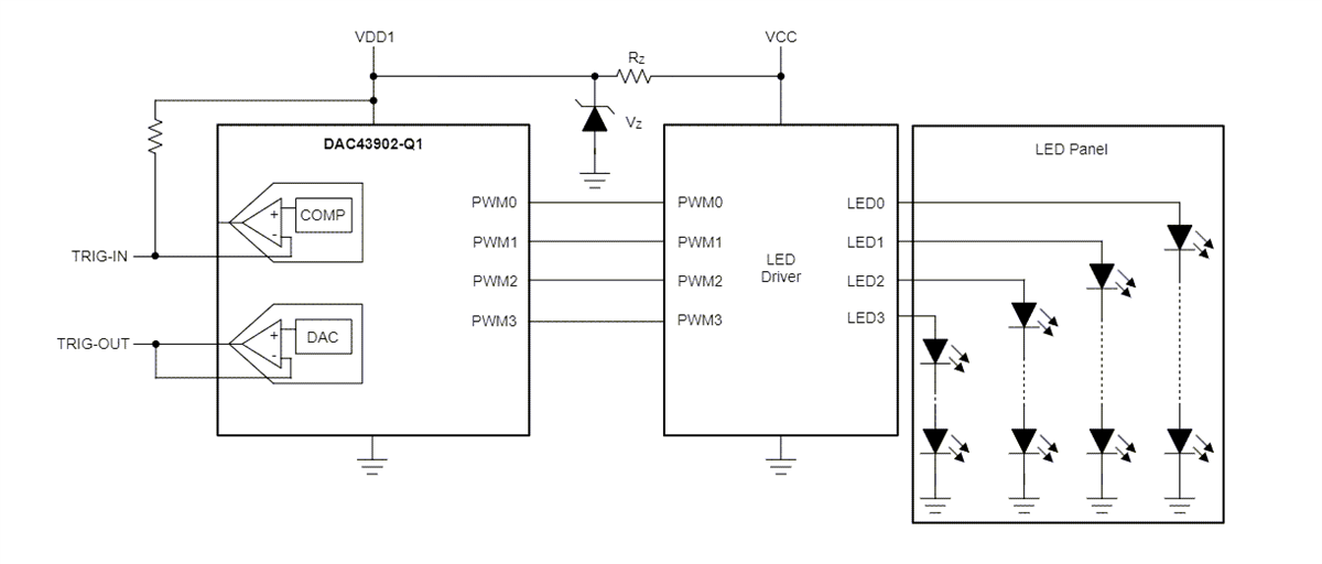
Animation des clignotants séquentiels à l'aide de DAC43902-Q1
Bloc fonctionnel
Ressources supplémentaires
Publié le: 2024-01-25
| Mis à jour le: 2025-05-06
