Texas Instruments CNADAC39RF12 et DAC39RFS12
Les convertisseurs numérique-analogique (CNA) DAC39RF12 et DAC39RFS12 de Texas Instruments offrent des options double et monocanal avec une résolution de 16 bits. Le DAC39RF12 et le DAC39RFS12 peuvent être utilisés comme CNA non interpolés ou interpolés pour l'échantillonnage RF direct ou la génération de signaux en bande de base complexes. Les appareils fournissent un débit de données d'entrée maximum de 24 GSPS pour un seul canal ou 12 GSPS pour deux canaux.Les CNA DAC39RF12 et DAC39RFS12 de TIpeuvent produire des signaux sur une bande passante de signal allant jusqu'à 12 GHz, 7,5 GHz et 6 GHz (résolution d'entrée de 8, 12 et 16 bits) à des fréquences porteuses dépassant 10 GHz permettant un échantillonnage direct via la bande C et dans la bande X.
Le taux d'échantillonnage élevé, la plage de fréquences de sortie, la résolution de fréquence NCO de 64 bits et tout saut de fréquence avec cohérence de phase rendent les dispositifs capables de génération de formes d'onde arbitraires (AWG) et de synthèse numérique directe (DDS).
Une interface série compatible JESD204B et JESD204C possède 16 paires de récepteurs capables d'atteindre jusqu'à 12,8 Gbps. L'interface est compatible JESD204B et JESD204C sous-classe 1 pour la latence déterministe et la synchronisation multi-périphériques via SYSREF.
Caractéristiques
- Cœur CNA multi-Nyquist 16 bits, 12/24 GSPS
- Débit de données d'entrée maximal :
- 8 bits, canal unique, mode DES à 24 GSPS
- 12 bits, canal unique, mode DES à 15,5 GSPS
- 16 bits, canal unique à 12 GSPS
- 8 bits, double canal, 12 GSPS
- 12 bits, double canal à 7,75 GSPS/canal
- 16 bits, double canal à 6,2 GSPS/canal
- Bande passante de sortie (-3 dB) à 12 GHz
- Performances à fOUT = 2,997 GHz, mode DES2XL, DEM/Dither désactivé
- Plancher de bruit (petit signal) à -155 dBFS/Hz
- SFDR (-0,1 dBFS) à -60 dBc
- IMD3 (-7 dBFS pour chaque tonalité) à -60 dBc
- Bruit de phase additif, décalage de 10 kHz à -137 dBc/Hz
- Quatre convertisseurs numériques intégrés (DUC)
- Interpolation : 1x, 2x, 3x, 4x, 6x, 8x... 256x
- DUC en bande de base complexe pour la sortie I/Q
- Conversion complexe à réelle pour l'échantillonnage RF direct à double canal
- NCO à résolution de fréquence de 64 bits
- Interface de reconfiguration rapide pour un saut de fréquence rapide
- Données 4 bits avec horloge 200 MHz
- Reconfiguration 60 ns (fréquence 32 bits)
- Tout saut de fréquence avec cohérence de phase
- Interface JESD204C
- Jusqu'à 16 voies jusqu'à 12,8 Gbps
- Compatible classe C-S, sous-classe 1
- Condensateurs de couplage CA internes
- Fenêtrage SYSREF pour l'étalonnage automatique de la synchronisation SYSREF
Applications
- Communications satellitaires
- Systèmes d'antennes multi-éléments
- Excitateur de radar à synthèse d'ouverture (SAR)
- Testeurs de communications sans fil
- Générateur de formes d'onde arbitraires (AWG)
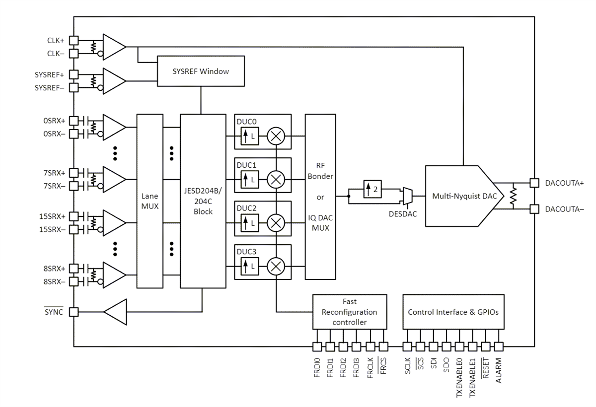
Schéma fonctionnel à canal unique
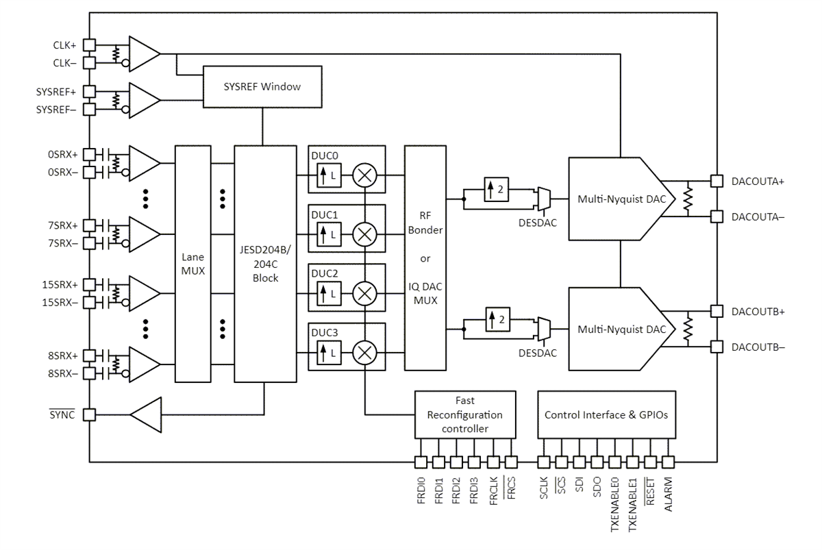
Schéma fonctionnel à double canal
