Texas Instruments DAC38RFxx 14-bit 9GSPS DACs
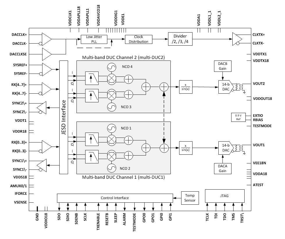
Texas Instruments DAC38RFxx 14-bit 9GSPS Digital-to-Analog Converters (DACs) can synthesize wideband signals from 0 to 4.5GHz. A high dynamic range allows the DAC38RFxx to generate signals for many applications, including 3G/4G signals for wireless base stations. These devices feature a low-power JESD204B Interface with up to 8 lanes. The devices also provide a maximum bit rate and input data rate of 12.5Gbps and 1.25GSPS complex per channel. The Texas Instruments DAC38RFxx provides two digital up-converters per channel, with multiple options for interpolation rates. A digital quadrature modulator with independent, frequency flexible NCOs is available to support multi-band operation. An optional low-jitter PLL/VCO simplifies the DAC sampling clock generation by allowing the use of a lower frequency reference clock.Features
- 14-bit resolution
- Maximum DAC sample rate: 9GSPS
- Key specifications:
- RF full-scale output power at 2.1GHz:
- DAC38RF80/90/84: 0dBm
- DAC38RF83/93/85: 3dBm (with 2:1 balun)
- Spectral performance (on-chip PLL, DIFF):
- fDAC = 5898.24MSPS, fOUT = 2.14GHz
- WCDMA ACLR: 75dBc
- WCDMA alt-ACLR: 77dBc
- fDAC = 8847.36MSPS, fOUT = 3.7GHz
- 20 MHz LTE ACLR: 63dBc
- fDAC = 9GSPS, fOUT = 1.8GHz
- IMD3 = 70dBc (–6dBFS, 10MHz tone spacing)
- NSD = –157dBc/Hz
- fDAC = 5898.24MSPS, fOUT = 2.14GHz
- RF full-scale output power at 2.1GHz:
- Dual-band digital up-converter per DAC
- 6, 8, 10, 12, 16, 18, 20 or 24x interpolation
- 4 independent NCOs with 48-bit resolution
- JESD204B interface, Subclass 1
- Support for multichip synchronization
- Maximum lane rate: 12.5Gbps
- Single-ended output with integrated balun (DAC38RF80/90/84) covering 700MHz to 3800MHz
- Internal PLL and VCO with bypass
- fC(VCO) = 5.9 or 8.9GHz
- Power dissipation: 1.4 to 2.2W/ch
- Power supplies: –1.8V, 1V, 1.8V
- Package: 10 x 10mm BGA, 0.8mm pitch, 144-balls
Applications
- Wireless communications
- Communications test equipment
- Arbitrary waveform generators
- Military software-defined radios
- Radar and Satellite Communications (SATCOM)
Block Diagram
Publié le: 2017-04-17
| Mis à jour le: 2022-04-25
