Texas Instruments CNA haut débit 12 bits DAC12DL3200
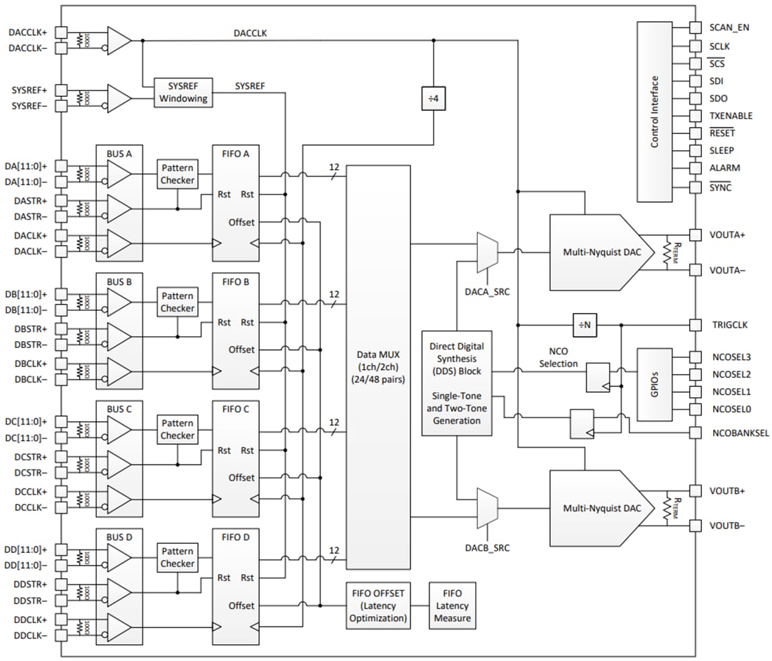
Le convertisseur numérique-analogique (CNA) haut débit 12 bits DAC12DL3200 de Texas Instruments est un CNA d'échantillonnage RF à double canal et très faible latence. Ce CNA est capable de débits d'entrée et de sortie jusqu'à 3,2 Gs/s en mode double canal ou 6,4 Gs/s en mode monocanal. En utilisant les modes de sortie multi-Nyquist, le CNA peut transmettre des largeurs de bande de signal au-delà de 2 GHz à des fréquences porteuses approchant 8 GHz. La plage de fréquence de sortie élevée permet un échantillonnage direct via la bande C (8 GHz) et au-delà.Le DAC12DL3200 peut être utilisé comme un CNA de bande de base I/Q en mode canal double. La plage de fréquence d'échantillonnage et de sortie élevée rend également le DAC12DL3200 capable d'une génération d'onde arbitraire (AWG) et d'une synthèse numérique directe (DDS). Un bloc DDS intégré permet une génération de tonalités simples et de deux tonalités sur puce.
Le DAC12DL3200 de Texas Instruments dispose d'une interface LVDS parallèle qui comprend jusqu'à 48 paires LVDS et 4 horloges LVDS DDR. Un signal stroboscopique est utilisé pour synchroniser l'interface, qui peut être envoyée sur le bit le moins significatif (LSB) ou en option sur les voies LVDS stroboscopiques dédiées. Chaque paire LVDS peut atteindre 1,6 Gbit/s. La synchronisation multi-dispositifs est prise en charge à l'aide d'un signal de synchronisation (SYSREF) et est compatible avec les dispositifs d'horloge JESD204B/C. La fenêtre SYSREF facilite la synchronisation dans les systèmes multi-dispositifs.
Caractéristiques
- Résolution 12 bits
- Fréquence d'échantillonnage maximale en entrée et sortie :
- Monocanal jusqu'à 6,4 Gs/s
- Double canal jusqu'à 3,2 Gs/s
- Modes de fonctionnement multi-Nyquist
- Modes monocanal : NRZ, RTZ, RF
- Modes à double canal : NRZ, RTZ, RF, 2 x RF
- Faible latence de 6 à 8 ns via le composant
- Adaptation des capacités de transmission au récepteur à faible latence ADC12DL3200
- Latence combinée CNA et CAN < 15 ns (sans inclure FPGA)
- Interface LVDS DDR parallèle
- Interface synchrone source pour simplifier la synchronisation :
- 24 ou 48 paires LVDS jusqu'à 1,6 Gbit/s
- 1 horloge DDR LVDS par bus 12 bits
- Plage de fréquence de sortie > 8 GHz
- courant à pleine échelle de 21 mA
- Horloge et synchronisation simplifiées
- La fenêtre SYSREF facilite la configuration et les temps d'attente
- Synthétiseur numérique direct (DDS) sur puce
- Génération d'ondes sinusoïdales monotoniques et bitoniques
- Oscillateurs contrôlés numériquement 32 x 32 bits
- Capacité de saut de fréquence rapide (< 500 ns)
- Entrée de phase/fréquence CMOS synchrone
- Performances à fOUT = 4,703 GHz, 6,4 GS/s, mode RF
- Puissance de sortie –3 dBm
- Plancher de bruit –147 dBc/Hz (décalage 70 MHz)
- SFDR 60 dBc
- Alimentations de 1,0 V, 1,8 V, –1,8 V
- Consommation électrique de 1,49 W (2 canaux, mode RF, 3,2 Gs/s)
- Boîtier FCBGA à 256 billes (17 mm x 17 mm, pas de 1 mm)
Applications
- Guerre électronique
- Générateur : impulsion, modèle et forme d'onde arbitraire (AWG)
Schéma de principe fonctionnel
