Texas Instruments Registres de bus de décalage et stockage CD74HC4094/CD74HCT4094
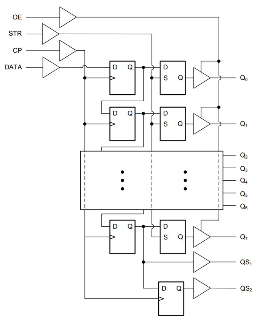
Les registres de bus à décalage et stockage 8 étages CD74HC4094/CD74HCT4094 de Texas Instruments sont des registres à décalage série 8 étages avec un verrou de stockage à chaque étage, permettant de transférer les données de l’entrée série vers des sorties parallèles tamponnées à trois états. Les sorties parallèles peuvent être connectées directement aux lignes de bus communes. Les données sont décalées sur des transitions d'horloge positives. Lorsque l'entrée Strobe est à l'état haut, chaque donnée des CD74HC4094/CD74HCT4094 de Texas Instruments est transférée vers le registre de stockage. Chaque fois que le signal Activation de la sortie se trouve à l'état haut, les données du registre de stockage apparaissent dans les sorties.Caractéristiques
- Entrées tamponnées
- Sorties séries distinctes, synchrones aux fronts d’horloge positifs et négatifs pour la mise en cascade
- Déperdition (sur la plage de température)
- Sorties standard : 10 charges LSTTL
- Sorties du pilote de bus : 15 charges LSTTL
- Large plage de temp. de fonctionnement de -55 °C à 125 °C
- Retard de propagation et temps de transition équilibrés
- Réduction significative de la consommation par rapport aux CI logiques LSTTL
- Types HC
- Exploitation de 2 V à 6 V
- Haute immunité au bruit : NIL = 30 %, NIH = 30 % de VCC à VCC = 5 V
- Types HCT
- Fonctionnement de 4,5 V à 5,5 V
- Compatibilité directe avec la logique d'entrée LSTTL, VIL = 0,8 V (max.), VIH = 2 V (min.)
- Compatibilité d'entrée CMOS, Il ≤ 1 μA à VOL, VOH
Schéma fonctionnel
Publié le: 2024-12-09
| Mis à jour le: 2024-12-13
