Texas Instruments Démultiplexeur Décodeur 3 à 8 lignes CD74HC137/CD74HCT137
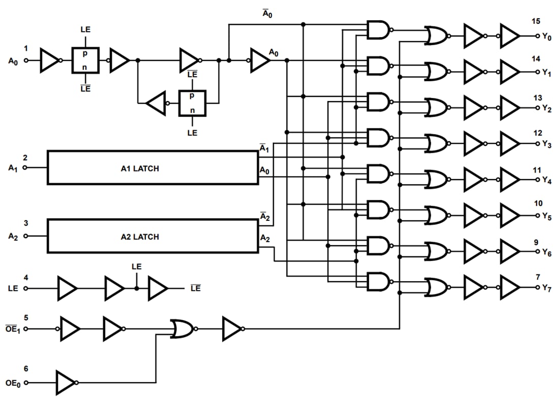
Les décodeurs-démultiplexeurs de ligne CD74HC137/CD74HCT137 de Texas Instruments de 3 à 8 lignes sont des décodeurs CMOS à grilles de silicium à grande vitesse, bien adaptés aux applications de routage de données ou de décodage d'adresses de mémoires. Les deux circuits ont des vitesses comparables à la logique TTL Schottky de faible puissance et présentent une faible consommation, ce qui est généralement associé à une circuiterie CMOS. Ces dispositifs sont disponibles en boîtiers PDIP-16, TSSOP-16, SOIC-16 et SOP-16.Ces circuits disposent de trois entrées binaires de sélection (A0, A1 et A2), verrouillables par un signal d'activation de verrouillage (LE) de haut niveau. Cela sert à isoler les sorties des changements d'entrées de sélection. Une LE « Low » (basse) rend la sortie transparente à l'entrée et le circuit fonctionne comme un décodeur un sur huit. Deux entrées d'activation de sortie (OE\1 et OE0) servent à faciliter le démultiplexage et à simplifier le couplage en cascade. La fonction de démultiplexage utilise les entrées A0, A1 et A2 pour sélectionner la sortie souhaitée. Elle maintient une entrée d'activation de la sortie dans son état actif et l'autre entrée d'activation de la sortie sous forme d'entrée de données. Dans les CD74HC137 et CD74HCT137 de Texas Instruments, la sortie sélectionnée est un « Low » ; tandis que dans le CD74HCT237, la sortie sélectionnée est un « High » (haut).
Caractéristiques
- Sélectionnez l'une des huit sorties de données
- Niveau bas actif pour CD74HC137 et CD74HCT137
- Niveau haut actif pour CD74HCT237
- Sélecteur d'accès ou de mémoire d'E/S
- Deux entrées d'activation permettent la simplification du couplage en cascade
- Retard de propagation standard de 13 ns sous VCC = 5 V, 15 pF, TA = 25 °C (CD74HC237)
- Sortance (sur la plage de température)
- Sorties standard : 10 charges LSTTL
- Sorties de pilotes de bus : 15 charges LSTTL
- Large plage de température de fonctionnement de –55 à 125 °C
- Retard de propagation et temps de transition équilibrés
- Réduction significative de la puissance par rapport aux CI logiques de LSTTL
- Types HC
- Fonctionnement de 2 à 6 V
- Haute immunité au bruit : NIL = 30 %, NIH = 30 %, de VCC sous VCC = 5 V
- Types HCT
- Fonctionnement de 4,5 à 5,5 V
- Compatibilité directe avec la logique d'entrée LSTTL, VIL = 0,8 V (max.), VIH = 2 V (min.)
- Compatibilité d'entrée CMOS, Il 1 µA sous VOL, VOH
Schéma fonctionnel
