Texas Instruments Moniteur de batterie à 3 à 5 cellules en série BQ76922
Le moniteur de batterie BQ76922 de 3 à 5 cellules de Texas Instruments offre une précision levée et intègre des pilotes NFET de pompe de charge côté haut, un LDO programmable pour une utilisation externe du système , ainsi qu'un périphérique de communication hôte prenant en charge les standards I2C jusqu'à 400 kHz et HDQ à une seule ligne. Le BQ76922 de TI surveille et protège les blocs de batteries Li-ion, Li-polymère et LiFePO4 de 3 à 5 cellules. Le modèle BQ76922 intègre un système de surveillance de haute précision, un sous-système de protection hautement configurable et un système d'équilibrage des cellules autonome ou contrôlé par l'hôte. Le BQ76922 est logé dans un boîtier QFN 4 mm x 4 mm à 32 broches.Caractéristiques
- Capacité de surveillance de la batterie pour les blocs à 3 à 5 cellules en série
- Pompe de charge intégrée pour une protection NFET côté haut avec récupération autonome optionnelle
- Suite de protection étendue comprenant des diagnostics internes, de tension, de température et de courant
- Deux CAN indépendants
- Prise en charge de l'échantillonnage simultané de courant et de tension
- Compteur de coulomb de haute précision avec erreur de décalage d'entrée < 1 µV (standard)
- Mesure de tension de cellule de haute précision < 10 mV (standard)
- Applications de courant à large plage (plage de mesure de ±200 mV à travers la résistance de détection)
- Protection de commande de fusible chimique secondaire intégrée
- Équilibrage des cellules autonome ou contrôlé par l'hôte
- Tolérance à l'égard des séquences aléatoires de fixation des cellules sur une ligne de production
- Modes d'alimentation multiples (conditions standard de la plage de fonctionnement du bloc-batterie)
- Mode NORMAL de 286 µA
- Plusieurs options de mode VEILLE, de 24 µA à 41 µA
- Plusieurs options de mode VEILLE PROLONGÉE de 9 µA à 10 µA
- Mode ARRÊT de 1 µA
- Tolérance de haute tension de 60 V sur la cellule, connexion et sélection de broches supplémentaires
- Prise en charge de la détection de la température à l'aide d'un capteur interne et d'un maximum de cinq thermistances externes
- Mémoire intégrée programmable en une seule fois (OTP) par les clients sur une ligne de production.
- Options de communication incluant l'interface I2C jusqu'à 400 kHz et l'interface HDQ à une seule ligne.
- Régulateur de tension programmable pour une utilisation externe du système
- Boîtier QFN à 32 broches (RSN)
Applications
- Outils électriques et outils de jardin sans fil
- Aspirateurs
- Robots sous vide
- Drones non militaires
- Autres packs industriels batterie (série 3 à 5 cellules)
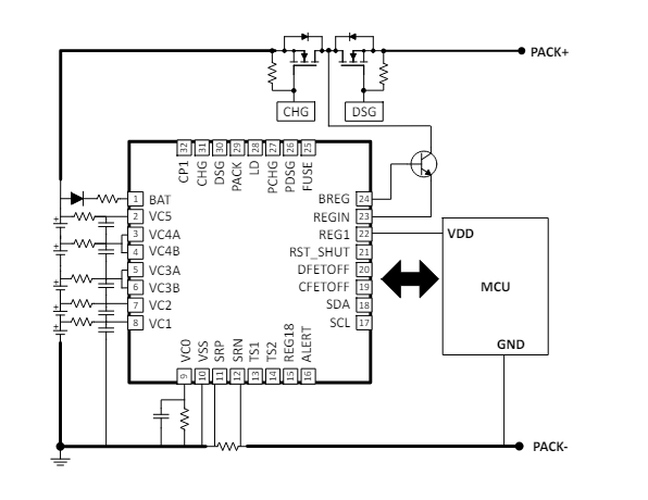
Schéma simplifié
Publié le: 2024-05-23
| Mis à jour le: 2024-06-05
