Texas Instruments Alimentations électriques sans fil Qi bq51013C/bq51013C-Q1
Les alimentations réceptrices sans fil bq51013C/bq51013C-Q1 de Texas Instruments, conformes Qi (WPC v2.0), sont des dispositifs secondaires monopuces avancés et flexibles pour le transfert de puissance sans fil dans des applications portables, délivrant jusqu’à 5 W. Le bq51013C/bq51013C-Q1 assure la conversion et la régulation de puissance CA-CC côté récepteur (RX) tout en intégrant le contrôle numérique nécessaire pour se conformer au protocole de communication Qi v2.0 du Wireless Power Consortium (WPC). L’association du contrôleur côté primaire bq500212A (ou d’un autre émetteur Qi) et du bq51013C/bq51013C-Q1 permet de réaliser un système complet de transfert de puissance sans contact pour une solution d’alimentation sans fil. La rétroaction globale est spécifiée du module secondaire vers le primaire pour contrôler le processus de transfert de puissance en utilisant le protocole Qi v2.0.Le TI bq51013C/bq51013C-Q1 intègre un redresseur synchrone à faible résistance, unrégulateur à faible chute de tension (LDO ), un contrôleur numérique ainsi que des boucles de tension et de courant précises pour garantir une haute efficacité et une faible dissipation de puissance.
Les dispositifs bq51013C-Q1 sont qualifiés AEC-Q100 pour les applications automobiles.
Caractéristiques
- Qualifié pour les applications automobiles (bq51013C-Q1)
- Qualifié AEC-Q100 avec les résultats suivants : température de fonctionnement du dispositif de 1re catégorie de -40 °C à +125 °C.
- Solution intégrée de récepteur d'alimentation sans fil
- 93 % d'efficacité globale CA-CC en crête
- Redresseur synchrone complet
- Contrôle de communication conforme à la norme WPC v2.0
- Conditionnement de la tension de sortie
- Seul un CI est requis entre le Rx bobine et le sortie
- Contrôle dynamique du redresseur pour une meilleure réponse transitoire de la charge
- Détection de courant très précise conforme à la norme v2.0 du Wireless Power Consortium (WPC) (compatible FOD)
- Mise à l'échelle dynamique de l'efficacité pour une performance optimisée sur une large gamme de puissance de sortie
- Limite de communication adaptative pour une communication robuste
- Prend en charge une entrée maximale de 20 V
- Limiteur de surtension dissipatif à faible consommation pour redresseur (VOVP = 15 V)
- Arrêt thermique
- NTC multifonction et broche de contrôle pour la surveillance de température, la charge complète et le contrôle de défaut par l'hôte
Applications
- Récepteurs conformes à la norme WPC v2.0
- Entrée passive, démarrage passif (PEPS)
- Sonde intelligente à ultrasons
- Téléphones portables et smartphones
- Casques
- Dispositifs portables
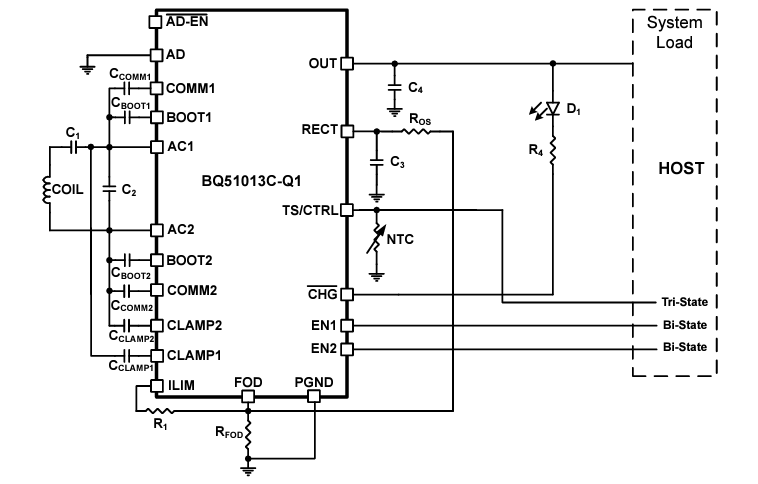
Aperçu du système d'alimentation sans fil
Schéma simplifié
Publié le: 2024-10-29
| Mis à jour le: 2025-05-09
