Texas Instruments BQ296x Li-Ion Battery Protectors
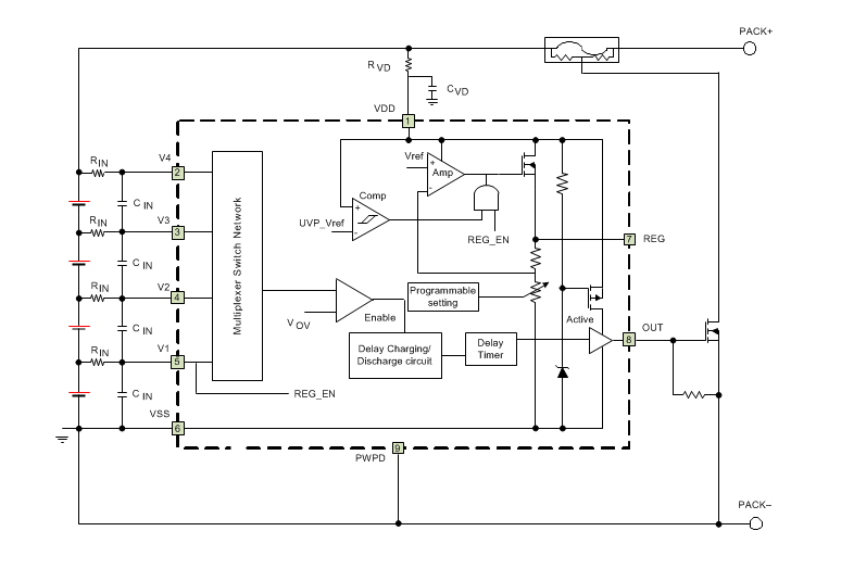
Texas Instruments BQ296x Li-Ion Battery Overvoltage Protectors are high accuracy, low power overvoltage protectors with a 2mA regulated output supply for Li-Ion battery pack applications. Each cell in a 2-series to 4-series cell stack is individually monitored for an overvoltage condition. An internally fixed-delay timer is initiated upon the detection of an overvoltage condition on any cell. Upon expiration of the delay timer, an output pin is triggered into an active state to indicate that an overvoltage condition has occurred. The regulated output supply delivers up to 2mA (maximum) output current to drive always-on circuits, such as a real-time clock (RTC) oscillator. Texas Instruments BQ296x has a self-disable function to turn off the regulated output if any cell voltage falls below a certain threshold. This prevents drain on the battery and provides an external control to enable or disable the regulated output.Features
- 2-series, 3-series, and 4-series cell overvoltage protection (OVP)
- Fixed delay timer to trigger FET drive output (3s, 4s, 5.5s, or 6.5s options)
- Factory programmed OVP threshold (threshold range 3.85V to 4.6V)
- Active high output options
- ±10mV high-accuracy overvoltage protection
- Regulated supply output with self-disable and/or external enable/disable control
- 3.3V, 2.5V, and 1.8V options (BQ2960, BQ2961)
- 3.3V, 3.15V, 3.0V options (BQ2962)
- Low power consumption ICC to 4µA (VCELL(ALL) < VPROTECT)
- Extra-low power consumption with reg output disabled, ICC to 1.2µA
- Low leakage current per cell input <100nA
- Small package footprint of 8-Pin WSON (2mm × 2mm)
Applications
- Notebook PC
- Ultrabooks
- Medical
- UPS battery backup
Functional Diagram
Publié le: 2015-07-09
| Mis à jour le: 2025-01-07
