Texas Instruments Jauge de charge Impedance Track™ bq27Z746
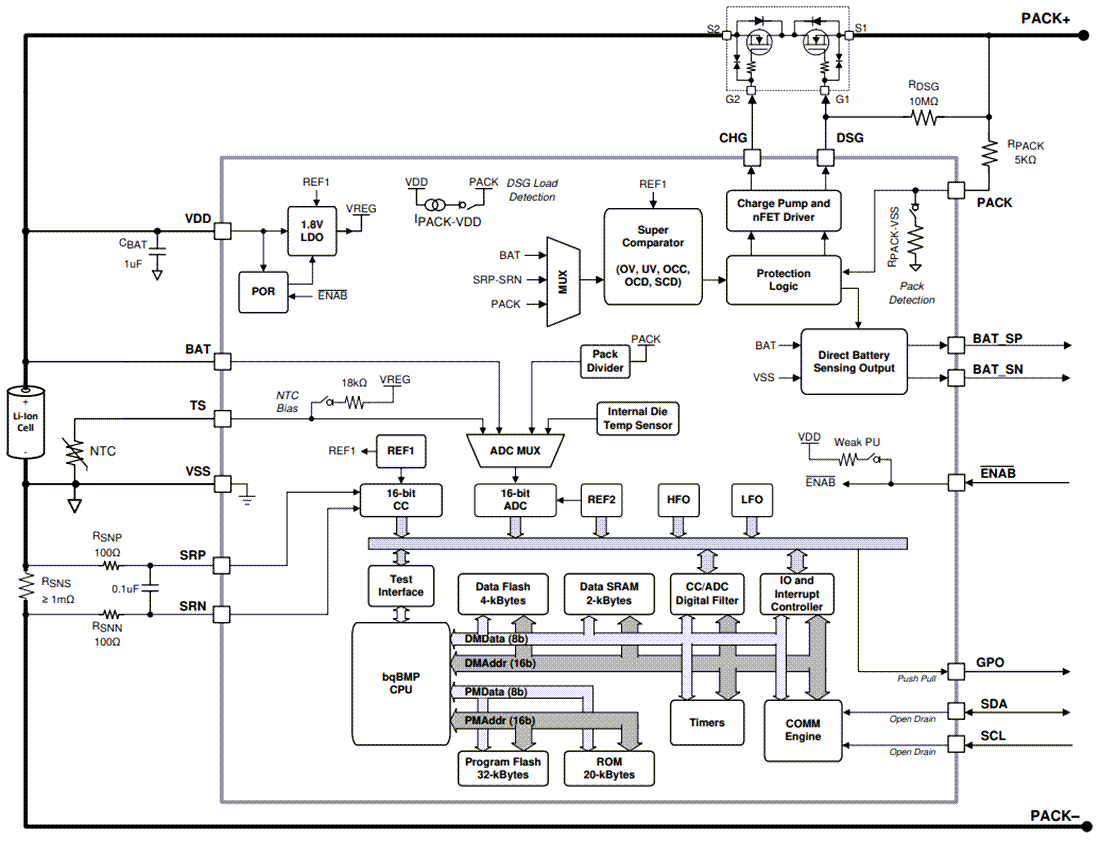
La solution de jauge de charge Impedance Track™ bq27Z746 de Texas Instruments est une solution de protection et de jauge de charge à cellule à série unique hautement intégrée et précise. Le composant bq27Z746 fournit une solution entièrement intégrée basée sur un pack avec un CPU à instruction réduite (RISC) programmable par Flash, une protection de sécurité, une sortie analogique de détection de batterie différentielle et une authentification pour les blocs de batteries Li-ion et Li-polymère à cellule à série unique.La jauge de charge bq27Z746 de Texas Instruments communique via une interface compatible I2C et combine un processeur BQBMP TI à ultra-faible puissance, des capacités de mesure analogique de haute précision et une mémoire Flash intégrée. Elle comprend également un pilote FET côté haut à canal N et un répondeur de transformation d'authentification SHA-2 faisant du composant une solution complète de gestion de batterie à hautes performances.
Caractéristiques
- Jauge de charge et protecteur de batterie intégrés
- CPU RISC BQBMP personnalisé programmable par Flash
- Authentification SHA-256
- Interface de communication par bus I2C 400 kHz
- Fonctionnement à basse tension (2,0 V)
- Deux CAN 16 bits de précision indépendants
- CAN de comptage Coulomb avec résistance de détection de courant pouvant descendre à 1 mΩ
- CAN de tension pour capteurs de tension de cellule et de température interne et externe
- Jauge de charge de batterie basé sur la technologie brevetée Impedance Track™.
- Modélise la courbe de décharge de la batterie pour des prévisions précises du délai jusqu'à la décharge totale
- S'ajuste automatiquement pour les effets induits par le vieillissement, la température et la vitesse sur la batterie
- Broches de sortie analogiques différentielles de détection Kelvin de batterie avec protection intégrée
- Détection de courant côté haut ou côté bas
- Protection matérielle programmable
- Pilotes de porte de FET côté haut
- Surtension et sous-tension (OVP et UVP)
- Surintensité en décharge et surintensité en charge (OCD et OCC)
- Court-circuit en décharge (SCD)
- Surchauffe (OT) basée sur le micrologiciel
- Modes d'alimentation standard réduit
- Mode VEILLE (20 µA)
- Mode EXPÉDITION (10 µA)
- Mode RAYON (5 µA)
- Mode ARRÊT (0,2 µA)
- DSBGA NanoFree™ ultra-compact à 15 billes
Applications
- Tout équipement final avec des piles rechargeables à série unique
- Smartphones
- Tablettes
- Appareils photo/caméras
- Dispositifs médicaux/portables
- Dispositifs portables industriels
Diagramme fonctionnel
Publié le: 2022-04-04
| Mis à jour le: 2022-06-09
