Texas Instruments Contrôleur Buck-Boost bidirectionnel bq25758S
Le contrôleur Buck-Boost bidirectionnel bq25758S deTexas Instruments est un contrôleur Buck-Boost en mode commuté bidirectionnel à large plage de tension d’entrée. Ce composant offre une conversion de puissance à haut rendement avec un contrôle CC-CV de sortie sur une large plage de tension. Le dispositif intègre toute la compensation de boucle pour le convertisseur Buck-Boost, fournissant une solution à haute densité avec une facilité d’utilisation. En mode inverse, le dispositif est alimenté par l’alimentation de sortie et régule la tension de la borne d’entrée avec une boucle de courant constant supplémentaire pour la protection.Le bq25758S de Texas Instruments admet des limites matérielles programmables en plus du mode régulé par l’hôte d'I2 C. Une seule résistance sur les broches IIN et IOUT peut définir des cibles de régulation de courants d’entrée et de sortie. Le dispositif est programmé pour fournir une sortie 5 V par défaut et la tension de sortie cible peut être ajustée via les bits de registre VOUT _ REG.
Caractéristiques
- Large plage de tension d'entrée de 4,4 V à 26 V
- Contrôleur CC-CC Buck-Boost synchrone avec pilotes NFET
- Fréquence de commutation réglable de 200 kHz à 600 kHz
- Synchronisation optionnelle avec une horloge externe
- Compensation de boucle intégrée avec démarrage progressif
- Fonctionnement PFM sélectionnable pour une efficacité améliorée à faible charge
- Entrée d’alimentation de pilote de grille optionnelle pour un rendement optimisé
- Prend en charge la plage de puissance étendue (EPR) USB-PD dans le sens de l’alimentation directe et inverse
- Régulation de la tension d’entrée et de la tension de sortie réglable de 3,3 V à 26 V par incréments de 20 mV
- Régulation du courant d’entrée et de sortie réglable (RAC _ SNS, ROUT _ SNS) de 400 mA à 20 A par incréments de 50 mA à l’aide d'une résistance 5 mΩ
- Précision élevée
- Régulation de la tension de sortie ±2 %
- Régulation du courant de sortie ±3 %
- Régulation de la tension d’entrée ±2 %
- Régulation du courant d’entrée ±3 %
- Mode de dérivation pour un rendement maximal avec VOUT = VCA
- Mode Buck uniquement
- Commande par I2 C pour des performances optimales de système, avec une option programmable par résistance
- Limites de courant d'entrée et de sortie réglables via matériel
- CAN de 16 bits intégré pour la surveillance de la tension, du courant et de la température
- Intégration haute sécurité
- Protection réglable contre les surtensions et les sous-tensions en entrée
- Protection contre les surintensités et les surtensions de sortie
- Arrêt thermique
- Sorties d'état
- Statut actuel de l’adaptateur (PG)
- État de fonctionnement du commutateur (STAT)
- Boîtier QFN 5 mm × 6 mm 36 broches
Applications
- Station d'accueil
- Moniteur
- EPR USB-PD (plage de puissance étendue)
- Fonctionnement Buck-Boost et Buck uniquement
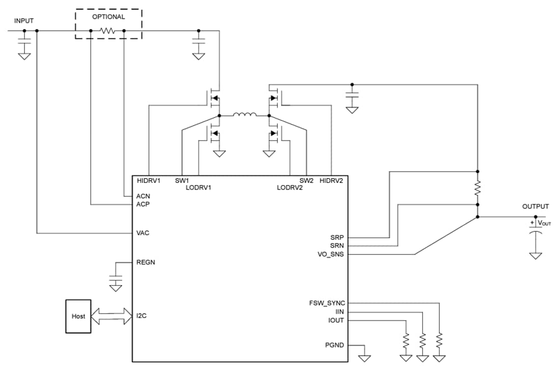
Schéma simplifié
Publié le: 2024-09-24
| Mis à jour le: 2024-10-02
