Texas Instruments Contrôleur Buck-Boost bidirectionnel BQ25758
Le contrôleur Buck-Boost bidirectionnel BQ25758 de Texas Instruments fournit une conversion de puissance à haute efficacité sur une large plage de tension avec un contrôle CC-CV de sortie. Le contrôleur Buck-Boost en mode commuté bidirectionnel à large plage de tension d’entrée BQ25758 intègre toute la compensation de boucle pour le convertisseur, ce qui facilite l’utilisation dans une solution à haute densité. En mode inverse, le BQ25758 tire l’énergie de l’alimentation de sortie et régule la tension de la borne d’entrée avec une boucle de courant constant supplémentaire pour de la protection.Le contrôleur Buck-Boost bidirectionnel BQ25758 de TI dispose d'un mode contrôlé par l'hôte I2C et prend en charge les limites matérielles programmables. Une simple résistance sur les broches IIN et IOUT peut définir des cibles de régulation du courant d'entrée et de sortie. Par défaut, le BQ25758 est programmé pour alimenter la sortie de 5 V et la tension de sortie cible peut être ajustée via les bits de registre VOUT_REG.
Caractéristiques
- Large plage de tension de fonctionnement en entrée de 4,2 V à 60 V
- Contrôleur CC-CC buck-boost synchrone avec pilotes NFET
- Fréquence de commutation réglable (de 200 kHz à 600 kHz)
- Synchronisation optionnelle sur une horloge externe
- Compensation de boucle intégrée avec démarrage progressif
- Fonctionnement PFM sélectionnable pour une amélioration de l'efficacité à faible charge (option PFM ou MLI forcé)
- Entrée d'alimentation du pilote de grille en option pour une efficacité optimisée
- Prend en charge la plage de puissance étendue (EPR) USB-PD dans le sens de l’alimentation direct et inverse
- Régulation de tension d’entrée et de sortie réglable de 3,3 V à 60 V par incréments de 20 mV
- Régulation du courant d’entrée et de sortie réglable (RAC _ SNS, ROUT _ SNS) de 400 mA à 20 A avec 50 mA/pas à l’aide de la résistance de 5 mΩ
- Mode dérivation pour une efficacité maximale avec VOUT = VCA
- CAN 16 bits intégré pour la surveillance de la tension, du courant et de la température
- Mode Buck uniquement
- Précision élevée
- Régulation de tension de sortie ±2 %
- Régulation du courant de sortie ±3 %
- Régulation de la tension d’entrée ±2 %
- Régulation du courant d’entrée ±3 %
- Contrôle par I2C pour une performance optimale du système avec une option programmable par résistance
- Limites de courant d’entrée et de sortie réglables par le matériel
- Intégration haute sécurité
- Protection contre les surtensions et les sous-tensions d'entrée réglables
- Protection contre les surtensions et les surintensités de sortie
- Coupure thermique
- Sorties d'état
- État actuel de l'adaptateur (PG)
- État de fonctionnement du commutateur (STAT)
- Boîtier QFN à 36 broches de 5 mm × 6 mm
Applications
- Station d'accueil
- Moniteur
- USB-PD EPR (plage de puissance étendue)
- Fonctionnement Buck-Boost et Buck uniquement
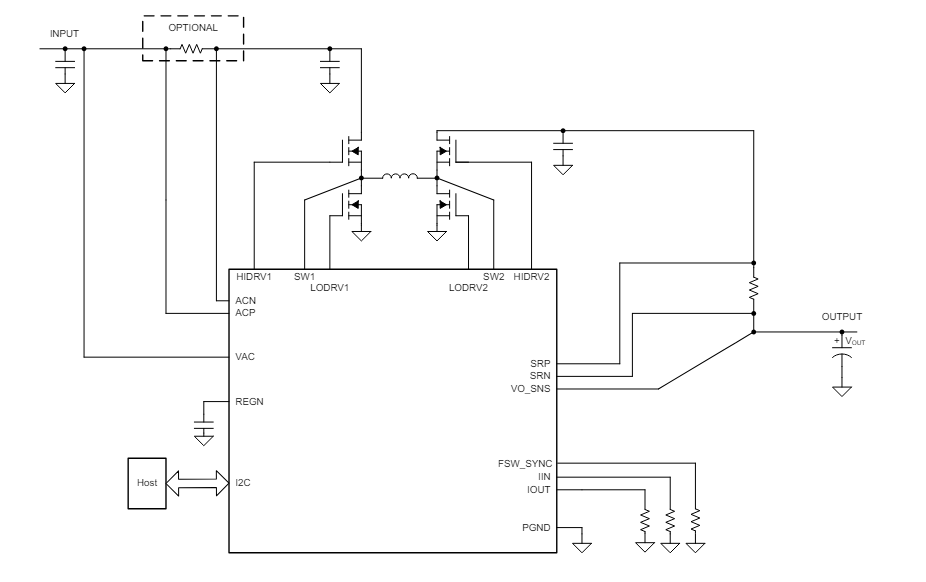
Schéma simplifié
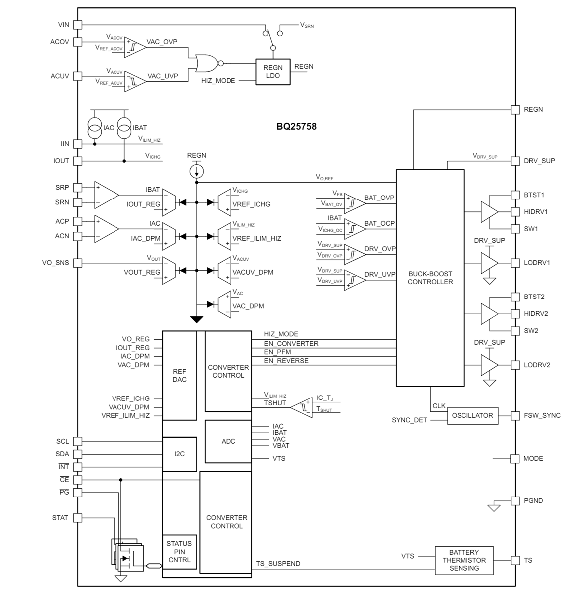
Schéma fonctionnel
Publié le: 2024-05-13
| Mis à jour le: 2025-07-24
