Texas Instruments Contrôleur de charge de batterie Buck-Boost bq25756E
Le contrôleur de charge de batterie bq25756E Buck-Boost de Texas Instruments est un contrôleur de charge de batterie Li-Ion, Li-polymère ou LiFePO4 à large tension d'entrée, à mode commuté avec prise en charge du flux d'énergie bidirectionnel. Le composant offre une régulation précise du courant de charge et de la tension de charge, une charge de batterie à haut rendement sur une large plage de tension, une indication de l'état de fin et de charge et un préconditionnement automatique de la charge. Le composant intègre toute la compensation de boucle pour le convertisseur Buck-Boost, offrant ainsi une solution haute densité facile à utiliser. L'appareil est alimenté par la batterie en mode inverse. Il régule la tension aux bornes d'entrée avec une limite de courant continu supplémentaire pour la protection, prenant en charge le profil de puissance USB-PD EPR.Outre le mode de charge contrôlé par l'hôte I2C , le bq25756E de Texas Instruments prend en charge un mode de charge autonome via des limites programmables par résistance. Les objectifs de courant d'entrée, de régulation de tension de charge et de courant de charge peuvent être respectivement définis via les broches ILIM_HIZ, ICHG et FB.
Caractéristiques
- Large plage de fonctionnement de tension d'entrée de 4,2 V à 36 V
- Large plage de fonctionnement de tension de batterie allant jusqu'à 36 V avec prise en charge multi-chimie
- Profil de charge Li-ion de 1 à 7 cellules
- Profil de charge LiFePO de 1 à 9 cellules4
- Contrôleur de charge synchrone Buck-Boost avec pilotes NFET
- Fréquence de commutation réglable de 200 kHz à 600 kHz
- Synchronisation optionnelle sur une horloge externe
- Compensation de boucle intégrée avec démarrage progressif
- Entrée d'alimentation du pilote de grille en option pour une efficacité optimisée
- Suivi automatique du point de puissance maximale (MPPT) pour le chargement solaire
- Fonctionnement du convertisseur bidirectionnel (mode inverse) prenant en charge la plage de puissance étendue (EPR) USB-PD
- Régulation de tension d'entrée (VAC) réglable de 3,3 V à 36 V avec 20 mV/pas
- Régulation du courant d'entrée réglable (RAC_SNS) de 400 mA à 20 A avec 50 mA/pas à l'aide de la résistance 5 mΩ
- Précision élevée
- Régulation de tension de charge ±0,5 %
- Régulation du courant de charge ±3 %
- Régulation du courant d'entrée de ±3 %
- I2C contrôlée pour des performances optimales du système avec une option programmable par résistance
- Limites de courant d'entrée et de sortie réglables via matériel
- CAN de 16 bits intégré pour la surveillance de la tension, du courant et de la température
- Intégration haute sécurité
- Protection contre les surtensions et les sous-tensions d'entrée réglables
- Protection contre les surtensions et les surintensités de la batterie
- Minuteur de sécurité de chargement
- Protection contre les courts-circuits de la batterie
- Coupure thermique
- Sorties d'état
- État actuel de l'adaptateur (PG)
- État de fonctionnement du chargeur (STAT1, STAT2)
- Boîtier QFN à 36 broches de 5 mm × 6 mm
Applications
- Outil électrique sans fil, outil de jardin
- Tondeuse à gazon robotisée
- Station d'alimentation portable
- Aspirateur sans fil, Robot aspirateur
- Chargeur solaire
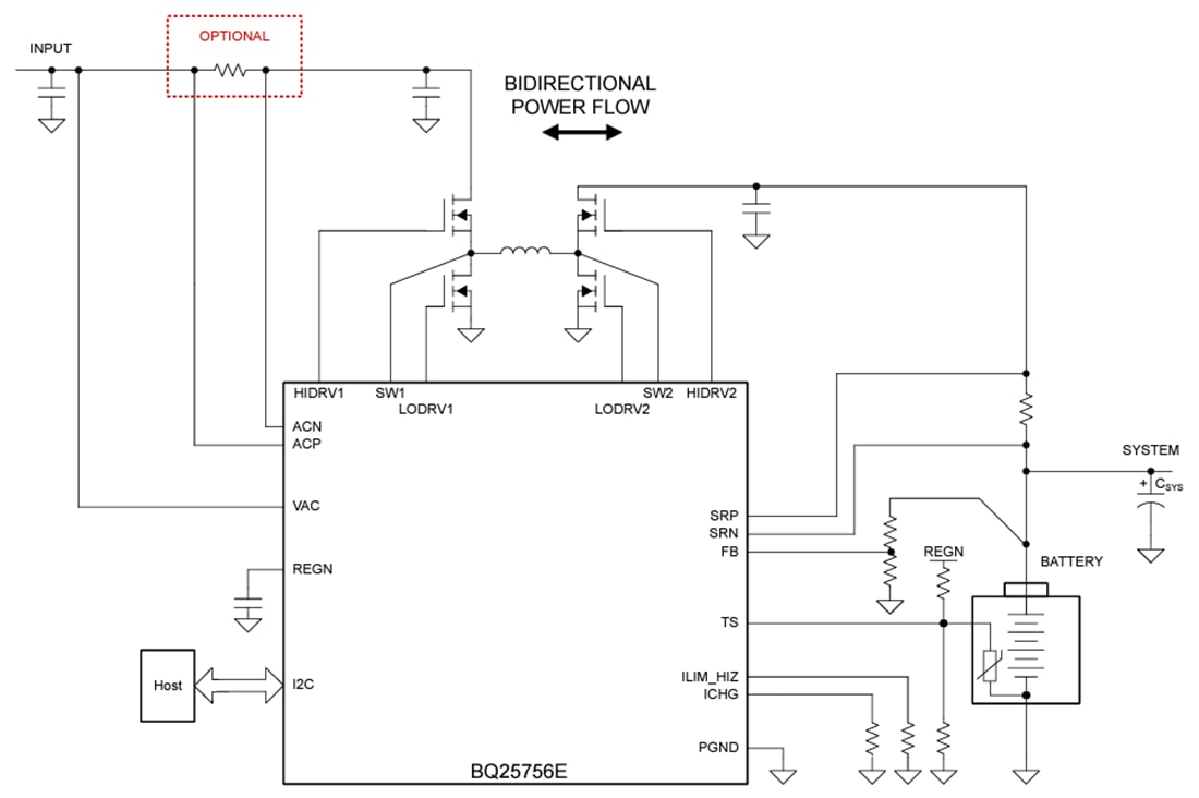
Schéma simplifié
Publié le: 2024-02-05
| Mis à jour le: 2024-02-12
