Texas Instruments Contrôleur de charge Buck-Boost bq25756
Le contrôleur de charge Buck-Boost bq25756 de Texas Instruments est un contrôleur de charge de batterie Li-Ion, Li-polymère ou LiFePO4 à large tension d'entrée et à mode commuté avec prise en charge du flux d'énergie bidirectionnel Le composant offre une charge de batterie à haut rendement sur une large plage de tension, une régulation de tension précise du courant de charge et de la tension de charge et un pré-conditionnement de charge automatique, une terminaison et une indication d'état de charge. Le composant intègre toute la compensation de boucle pour le convertisseur Buck-Boost, fournissant une solution à haute densité à utilisation facile. En mode inversé, le dispositif est alimenté par la batterie. Il régule la tension aux bornes d'entrée avec une boucle de courant continu supplémentaire pour la protection, prenant en charge le profil d'alimentation EPR USB-PD.Outre le mode de charge contrôlé par l'hôte I2C, le bq25756 de Texas Instruments prend également en charge un mode de charge autonome via des limites programmables par résistance. Les objectifs de régulation du courant d'entrée, du courant de charge et de la tension de charge peuvent être définis via les broches ILIM_HIZ, ICHG et FB, respectivement.
Caractéristiques
- Large plage de fonctionnement de la tension d'entrée : 4,2 V à 70 V
- Large plage de fonctionnement de la tension de la batterie : jusqu'à 70 V avec prise en charge multi-chimie :
- Profil de charge Li-ion 1 à 14 cellules
- Profil de charge LiFePO4 1 à 16 cellules
- Contrôleur de charge Buck-Boost synchrone avec pilotes NFET
- Fréquence de commutation réglable (de 200 kHz à 600 kHz)
- Synchronisation optionnelle avec une horloge externe
- Compensation de boucle intégrée avec démarrage progressif
- Entrée d'alimentation du pilote de grille en option pour une efficacité optimisée
- Suivi automatique du point de puissance maximale (MPPT) pour la recharge solaire
- Mode Buck uniquement
- Fonctionnement du convertisseur bidirectionnel (mode inverse) prenant en charge la plage de puissance étendue (EPR) USB-PD
- Régulation de tension d'entrée (VAC) réglable de 3,3 V à 65 V avec 20 mV/pas
- Régulation du courant d'entrée réglable (RAC_SNS) de 400 mA à 20 A avec 50 mA/pas à l'aide d'une résistance de 5 mΩ
- Précision élevée
- Régulation de tension de charge ±0,5 %
- Régulation du courant de charge ±3 %
- Régulation du courant d'entrée de ±3 %
- Contrôle par I2C pour des performances optimales du système avec une option programmable par résistance
- Limites de courant d'entrée et de sortie réglables via matériel
- CAN de 16 bits intégré pour la surveillance de la tension, du courant et de la température
- Intégration haute sécurité
- Protection contre les surtensions et les sous-tensions d'entrée réglables
- Protection contre les surtensions et les surintensités de la batterie
- Minuteur de sécurité de chargement
- Protection contre les courts-circuits de la batterie
- Coupure thermique
- Sorties d'état
- État actuel de l'adaptateur (PG)
- État de fonctionnement du chargeur (STAT1, STAT2)
- Boîtier QFN à 36 broches de 5 mm × 6 mm
Applications
- Kick eScooter, vélo électrique
- Outil électrique sans fil, outil de jardin
- Tondeuse à gazon robotisée
- Station d'alimentation portable
- Aspirateur sans fil, Robot aspirateur
- Chargeur solaire
- USB-PD EPR (plage de puissance étendue)
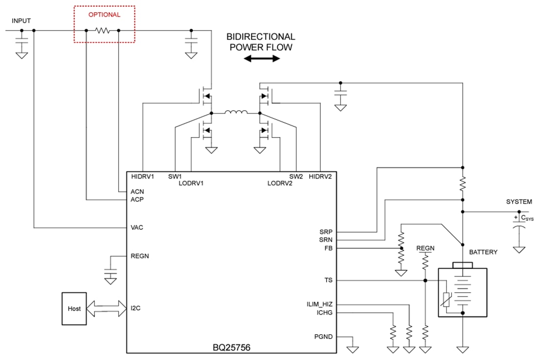
Schéma simplifié
Ressources supplémentaires
Publié le: 2023-10-18
| Mis à jour le: 2024-01-15
