Texas Instruments Contrôleur de charge de batterie Buck-Boost bq25750
Le contrôleur de charge de batterie Buck-Boost bidirectionnel bq25750 de Texas Instruments est un contrôleur de charge de batterie à large tension d'entrée, Li-polymère, Li-Ion Buck-Boost à mode commuté ou LiFePO 4 avec contrôle direct du chemin d'alimentation. L'appareil offre une charge de batterie à haut rendement sur une large plage de tension, une régulation de la tension de charge et un courant de charge précis, une terminaison automatique, un préconditionnement de la charge et une indication de l'état de charge. L'appareil intègre toute la compensation de boucle pour le convertisseur abaisseur-élévateur, offrant ainsi une solution haute densité facile à utiliser. En mode inverse, l'appareil tire son énergie de la batterie et régule la tension aux bornes SYS.Outre le mode de chargement contrôlé par l'hôte I2C, le composant prend en charge le mode de chargement autonome via des limites programmables par résistance. Les objectifs de courant d'entrée, de régulation de tension de charge et de courant de charge peuvent être définis via les broches ILIM_HIZ, ICHG et FB, respectivement. L'appareil dispose de trois broches d'état (STAT1, STAT2 et PG) pour indiquer l'état de charge et de tension d'entrée. Ces broches peuvent être utilisées pour communiquer avec un processeur hôte ou des voyants de lecteur. Si nécessaire, ces broches peuvent également être utilisées comme indicateurs à usage général, et l'état est contrôlé directement par l'interface I2C. La broche INT informe immédiatement l'hôte lorsque l'état de l'appareil change, y compris les défauts.
Le dispositif fournit également un convertisseur analogique-numérique (CAN) pour surveiller le courant d'entrée, le courant de charge et les tensions d'entrée/de batterie/de système/de thermistance. Le bq25750 de Texas Instruments est livré avec un boîtier QFN de 5,0 mm x 6,0 mm à 36 broches avec un pas de broche de 0,5 mm.
Caractéristiques
- Large plage de fonctionnement de tension d'entréede 4,2 V à 70 V
- Large plage de fonctionnement de tension de batterie allant jusqu'à 70 V avec prise en charge multi-chimie
- Profil de charge Li-Ion 1 à 14 cellules
- Profil de charge LiFePO4 1 à 16 cellules
- Contrôleur de charge Buck-Boost synchrone avec pilotes NFET
- Fréquence de commutation réglable (de 200 kHz à 600 kHz)
- Synchronisation optionnelle avec une horloge externe
- Compensation de boucle intégrée avec démarrage progressif
- Entrée d'alimentation de pilote de grille en option pour une efficacité optimisée
- Fonctionnement du convertisseur bidirectionnel (mode inverse) prenant en charge la plage de puissance étendue (EPR) USB-PD
- Régulation de tension d'entrée (VAC) réglable de 3,3 V à 65 V avec un pas de 20 mV
- Régulation du courant d'entrée réglable (RAC_SNS) de 400 mA à 20 A avec 50 mA/pas à l'aide de la résistance de 5 mΩ
- Gestion directe du chemin d'alimentation pour une efficacité maximale dans le système électrique
- Sélection de l'alimentation du système à partir d'un adaptateur ou d'une batterie
- Gestion dynamique de l'énergie
- Tous les pilotes FET à canal N
- Faible courant de repos de la batterie
- Précision élevée
- Régulation de tension de charge ±0,5 %
- Régulation du courant de charge ±3 %
- Régulation du courant d'entrée de ±3 %
- I2C contrôlée pour des performances optimales du système avec une option programmable par résistance
- Limites de courant d'entrée et de sortie réglables via matériel
- CAN de 16 bits intégré pour la surveillance de la tension, du courant et de la température
- Intégration haute sécurité
- Protection contre les surtensions et les sous-tensions d'entrée réglables
- Protection contre les surtensions et les surintensités de la batterie
- Minuteur de sécurité de chargement
- Protection contre les courts-circuits de la batterie
- Coupure thermique
- Sorties d'état
- État actuel de l'adaptateur (PG)
- État de fonctionnement du chargeur
- Boîtier
- QFN 36 broches 5 mm × 6 mm
Applications
- Outils électriques et de jardinage sans fil
- Chargeur de secours solaire
- Systèmes de stockage d'énergie
- Drone
- Ultrasons
- Systèmes à rayons X
- Lits d'hôpitaux électroniques et contrôle des lits
- Moniteurs de patients multiparamètres
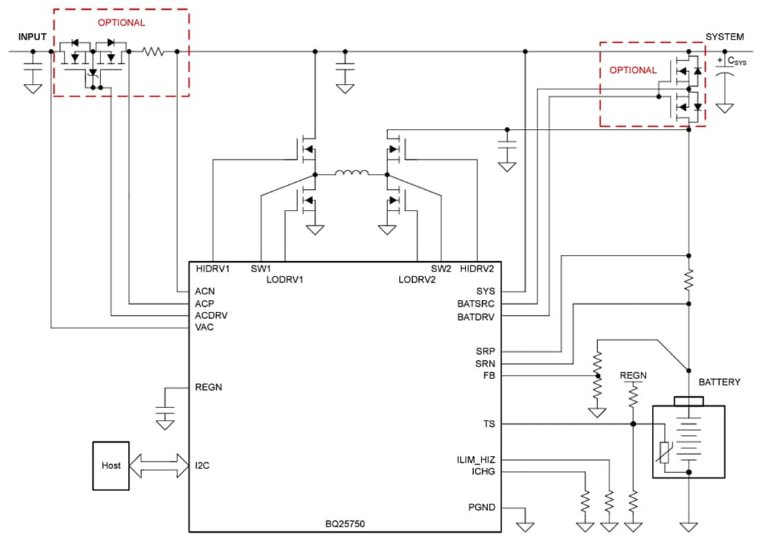
Schéma simplifié
