Texas Instruments Contrôleur de charge de batterie Buck-Boost SMBus bq25720
Le contrôleur de charge de batterie Buck-Boost SMBus bq25720 de Texas Instruments est un contrôleur de charge de batterie buck-boost NVDC synchrone pour charger une batterie de 1 à 4 cellules à partir d'une large gamme de sources d'entrée. Ces sources comprennent un adaptateur USB, des sources d'alimentation (PD) USB-C haute tension et des adaptateurs standard. La configuration NVDC permet au système d'être régulé en fonction de la tension de la batterie mais ne chute pas en dessous de la tension minimale du système. Le système continue de fonctionner même lorsque la batterie est complètement déchargée ou retirée. Lorsque la puissance de charge dépasse la puissance nominale de la source d'entrée, la batterie passe en mode de complément et empêche le plantage du système.Pendant l'allumage, le chargeur règle le convertisseur sur une configuration buck, boost ou buck-boost en fonction de la source d'entrée et de l'état de la batterie. Le chargeur passe sans interruption entre les modes de fonctionnement buck, boost et buck-boost sans contrôle de l'hôte. En l'absence d'une source d'entrée, le bq25720 prend en charge la fonction USB On-the-Go (OTG) à partir d'une batterie de 1 à 4 cellules pour générer une sortie réglable de 3 à 24 V sur VBUS, avec une résolution de 8 mV. La vitesse de balayage de la tension de sortie OTG peut être configurée pour être conforme à la norme PPS USB-PD 3.0.
Lorsque seule une batterie alimente le système et qu'aucune charge externe n'est connectée au port OTG USB, le bq25720 met en œuvre la toute dernière fonctionnalité Intel Vmin Active Protection (VAP), dans laquelle le dispositif charge la tension VBUS de la batterie pour stocker une partie de l'énergie dans les condensateurs de découplage d'entrée. Pendant une pointe de puissance de crête du système, l'énergie stockée dans les condensateurs d'entrée complète le système pour éviter que la tension du système ne chute en dessous de la tension minimale du système et ne provoque un choc du système.
Le bq25720 de Texas Instruments surveille le courant de l'adaptateur, le courant de la batterie et l'alimentation du système. La sortie PROCHOT programmée avec flexibilité va directement au CPU pour le retour d'accélération si nécessaire. La dernière version de la spécification PD USB-C inclut une Commutation de rôle rapide (FRS) pour assurer que la commutation du rôle de puissance se produit de manière opportune afin que le ou les dispositifs connectés au socle puissent éviter de subir une perte de puissance momentanée ou des bruits parasites. Ce dispositif intègre un FRS conforme à la norme PD.
Le modèle de variation de fréquence de commutation breveté de TI peut réduire de manière significative le bruit EMI sur l'ensemble de la plage de fréquence EMI conductrice (150 kHz à 30 MHz). Plusieurs options d'échelle de variation sont disponibles pour fournir de la flexibilité pour différentes applications afin de simplifier la conception de filtre contre le bruit EMI. Le chargeur peut fonctionner en Mode traversant (PTM) breveté de TI pour améliorer le rendement sur l'ensemble de la plage de charge. En PTM, l'alimentation d'entrée est directement transmise au système par le chargeur. Les pertes de commutation des MOSFET et la perte du noyau de l'inducteur peuvent être sauvegardées pour des opérations à haut rendement. Le bq25720 est disponible en boîtier WQFN de 32 broches de 4 mm × 4 mm.
Caractéristiques
- Compatible broche-à-broche avec bq25710
- Chargeur Buck-Boost CC à tension étroite (NVDC) pour plateforme d'interface PD (Power Delivery) USB-C
- Plage d'entrée de 3,5 V à 26 V pour charger une batterie de 1 à 4 cellules
- Courant de charge jusqu'à 16,2 A/8,1 A avec une résolution de 128 mA/64 mA basée sur une résistance de détection de 5 mΩ/10 mΩ
- Limite de courant d'entrée jusqu'à 10 A/6,35 A avec une résolution de 100 mA/50 mA basée sur une résistance de détection de 5 mΩ/10 mΩ
- Prend en charge USB 2.0, USB 3.0, USB 3.1 et USB Power Delivery (PD)
- Optimiseur de courant d'entrée (ICO) pour extraire la puissance d'entrée maximale sans surcharger l'adaptateur
- Fonction de Commutation de rôle rapide (FRS) intégrée conforme à la norme USB-PD
- Transition transparente entre les opérations buck, buck-boost et boost
- Régulation du courant d'entrée et de la tension (IINDPM et VINDPM) contre la surcharge de la source
- Modèle de variation de fréquence de commutation breveté de TI pour la réduction du bruit EMI
- Mode de passage (PTM) breveté de TI pour une amélioration de l'efficacité énergétique du système et une charge rapide de la batterie atteignant un rendement de 99 %
- Caractéristiques du système conforme aux normes IMVP8/IMVP9 pour la plateforme Intel
- Le mode de Protection Active Vmin (VAP) amélioré complète la batterie des condensateurs d'entrée pendant la pointe de puissance de crête du système, conformément à la toute dernière caractéristique technique Intel
- Profil PROCHOT complet
- Profil PROCHOT de limite de courant de décharge à deux niveaux pour éviter le fil de sortie de la batterie
- Moniteur d'alimentation système
- Moniteur de courant d'entrée et de batterie via des broches dédiées
- CAN 8 bits intégré pour surveiller la tension, le courant et la puissance
- Fonctionnement de la diode idéale MOSFET de batterie en mode complément pour prendre en charge le système lorsque l'adaptateur est complètement chargé
- Mise sous tension d'un port USB à partir d'une batterie (USB OTG)
- OTG de 3 V à 24 V avec une résolution de 8 mV
- Limite de courant de sortie jusqu'à 12,7 a/6,35 A avec une résolution de 100 mA/50 mA basée sur une résistance de détection de 5 mΩ/10 mΩ
- Fréquence de commutation programmable 800 kHz/1,2 MHz avec inductance 2,2 µH/1,0 µH
- Interface de commande hôte SMBus pour une configuration flexible du système
- Haute précision pour la régulation et le moniteur
- Régulation de tension de charge ±0,5 %
- Régulation du courant de charge ±3 %
- Régulation de courant d'entrée ±2,5 %
- Moniteur de courant d'entrée/charge ±2 %
- Sécurité
- Arrêt thermique
- Entrée, système, protection contre la surtension de la batterie
- Entrée, MOSFET, protection contre les surintensités de l'inducteur
- Boîtier WQFN à 32 broches de 4,0 mm×4,0 mm
Applications
- Ordinateur portable standard, Chromebook
- Tablette (multimédia), haut-parleur sans fil
- Scanner à ultrasons, ventilateurs
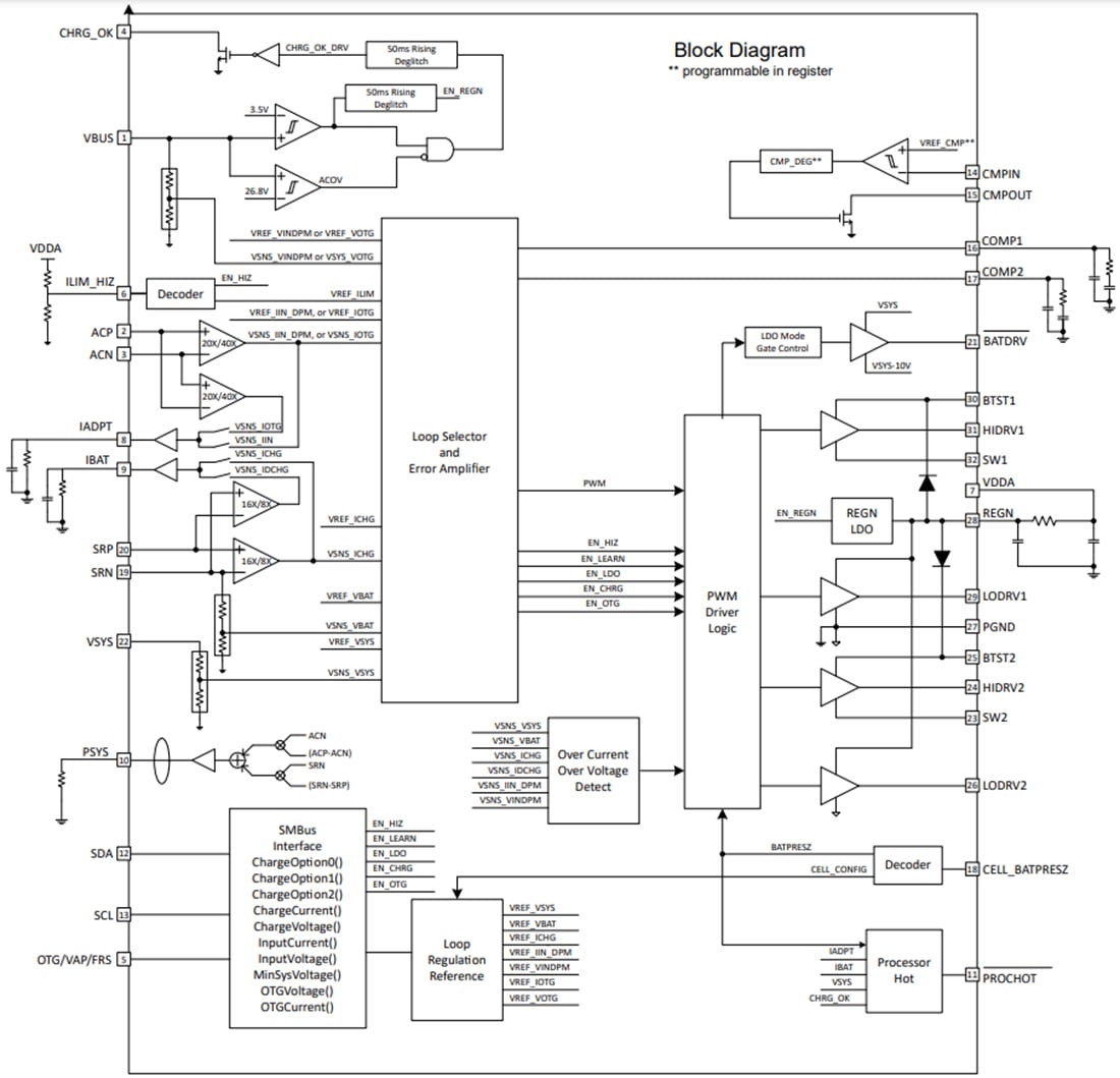
Schéma de principe fonctionnel
