Texas Instruments CAN Delta-Sigma 24 bits AMC131M03/AMC131M03-Q1
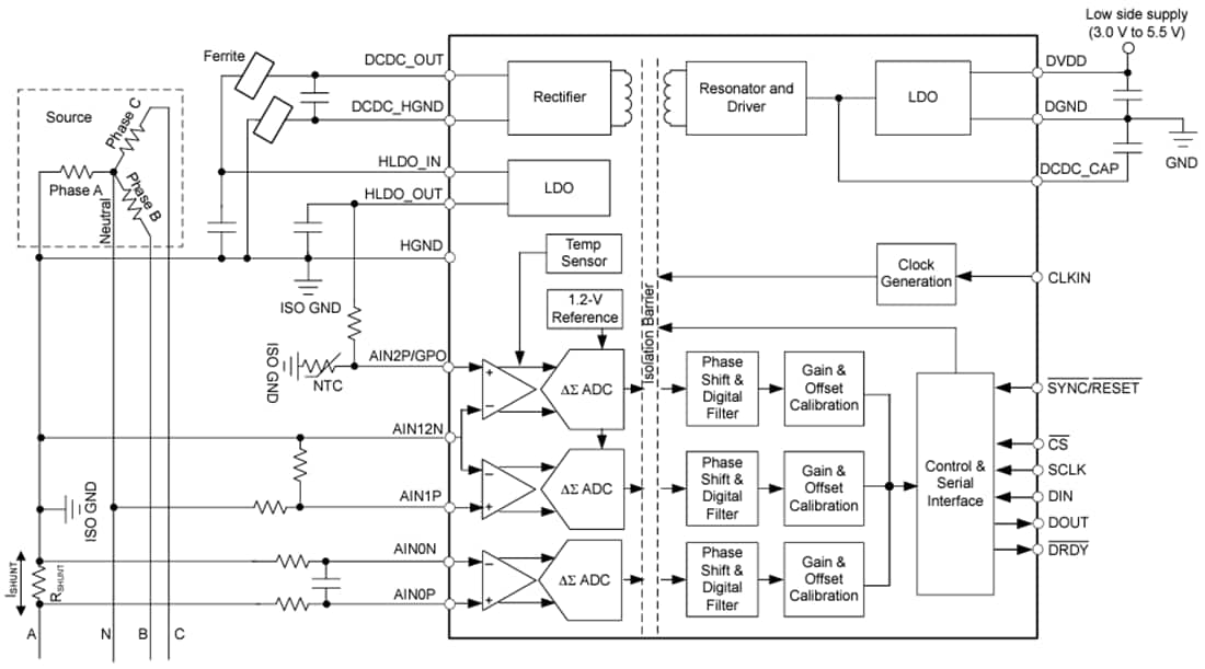
Le convertisseur analogique-numérique (CAN) Delta-Sigma isolé 24 bits AMC131M03/AMC131M03-Q1 de Texas Instruments est un CAN delta-sigma (ΔΣ) 24 bits, de précision, à trois canaux, isolé des données et de la puissance. Le AMC131M03AMC131M03/AMC131M03-Q1 offre une large plage dynamique de caractéristiques spécifiques à la mesure de l’énergie et à faible puissance pour les applications de métrologie de puissance et de compteurs d’énergie. Les entrées du CAN peuvent être interfacées directement avec un capteur de courant de shunt ou un réseau diviseur de résistance en raison de la haute impédance d’entrée du composant.L'AMC131M03AMC131M03/AMC131M03-Q1 dispose d’un convertisseur CC-CC isolé entièrement intégré qui permet un fonctionnement à alimentation unique depuis le côté bas du composant. La barrière d’isolation capacitive renforcée est certifiée conformément aux normes UL1577 et VDE 0884-17. Cette barrière d’isolation sépare les parties du système pour protéger les pièces basse tension des dommages. Il fonctionne à différents niveaux de tension en mode commun, faisant du AMC131M03AMC131M03/AMC131M03-Q1 un excellent choix pour les applications de compteurs d’énergie polyphasés utilisant des capteurs de courant de shunt. Les dispositifs AMC131M03-Q1 de Texas Instruments sont homologués AEC-Q100 pour les applications automobiles.
Caractéristiques
- Trois CAN ΔΣ d’échantillonnage simultané isolés avec entrées différentielles ou asymétriques
- Fonctionnement à alimentation simple (3,3 V ou 5 V) avec convertisseur CC-CC intégré
- Faibles EMI conformes aux normes CISPR-11 et CISPR-25
- Débit de données programmable jusqu’à 64 kS/s
- Gain programmable jusqu'à 128
- Référence de tension interne à faible dérive
- Capteur de température interne
- Interface SPI à 4 fils avec contrôle de redondance cyclique (CRC)
- Certifications liées à la sécurité
- Isolation renforcée au 7070 VPEAK selon la norme DIN EN IEC 60747-17 (VDE 0884-17)
- Isolation au 5000 VRMS pendant 1 minute selon la norme UL1577
- Boîtier SOIC à corps large, 20 broches
- Plage de température de fonctionnement : -40°C à +125°C
Applications
- Compteurs électriques (commerciaux et résidentiels)
- Disjoncteurs
- Stations de chargement EV
- Systèmes de gestion de batterie
Fiches techniques
Schéma fonctionnel
