Texas Instruments Frontal analogique à échantillonnage RF 2T3R AFE7955
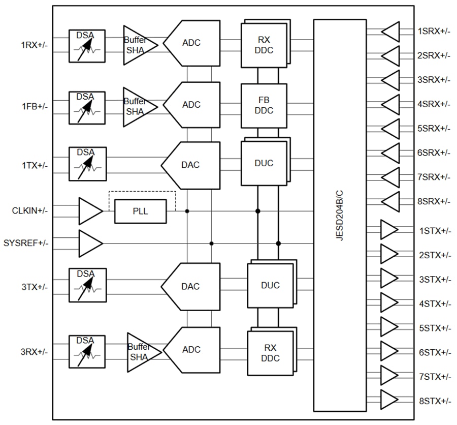
Le frontal analogique (AFE) à échantillonnage RF 2T3R AFE7955 de Texas Instruments est un émetteur-récepteur multicanal à large bande passante et hautes performances, intégrant deux chaînes réceptrices à échantillonnage RF et trois chaînes émettrices à échantillonnage RF. Avec un fonctionnement jusqu'à 12 GHz, ce composant permet un échantillonnage RF direct dans les plages de fréquence de bande L, S, C et X. Cette caractéristique est réalisée sans nécessiter d'étapes supplémentaires de conversion de fréquence. Cette amélioration de la densité et de la flexibilité permet de disposer de systèmes multi-missions à nombre élevé de canaux.Les chemins de signal TX prennent en charge des options d'interpolation et de conversion ascendante numérique qui fournissent jusqu'à 1 200 MHz de bande passante du signal pa canal TX. La sortie des DUC pilote un CNA (convertisseur numérique-analogique) de 12 GS/s avec une option de sortie en mode mixte pour améliorer le fonctionnement du 2e Nyquist. La sortie CNA comprend un amplificateur à gain variable (TX DSA) avec une plage de 40 dB et des pas analogiques de 1 dB et numériques de 0,125 dB.
Deux canaux récepteurs sur l'AFE7955 de Texas Instruments comprennent une plage DSA (atténuateur numérique à pas) de 25 dB, suivie d'un CAN (convertisseur analogique-numérique) de 3 GS/s. Les deux canaux récepteurs disposent d'un détecteur de puissance de crête analogique et de divers détecteurs de puissance numériques pour aider un contrôleur de gain automatique autonome externe ou interne et des détecteurs de surcharge RF pour une protection fiable du dispositif. Les options de décimation flexibles optimisent la bande passante de signal jusqu'à 1 200 MHz par canal RX. Un canal récepteur supplémentaire dispose d'un seul DDC à large bande prenant en charge une largeur de bande allant jusqu'à 1 200 MHz.
Caractéristiques
- CNA de transmission 12 GS/s à double échantillonnage RF
- Triple CNA de transmission 12 GS/s à échantillonnage RF
- Bande passante de signal RF maximale de 1 200 MHz
- Plage de fréquence RF de 600 MHz à 12 GHz
- Atténuateurs à pas numériques (DSA)
- TX : plage de 40 dB, pas de 0,125 dB
- RX : plage de 25 dB, pas de 0,5 dB
- DUC ou DDC simple ou double bande
- 16 NCO par TX
- PLL ou VCO interne optionnel pour horloges CNA ou CAN ou horloge externe à fréquence d'échantillonnage CNA ou CAN
- Interface de données SerDes
- Compatible JESD204B et JESD204C
- Huit émetteurs-récepteurs SerDes jusqu'à 29,5 Gb/s
- Synchronisation multi-appareils sous-classe 1
- Boîtier FCBGA de 17 mm × 17 mm, pas de 0,8 mm
Applications
- Radar
- Frontal du demandeur
- Radio de défense
- Infrastructure de communication tactique
- Test de communication sans fil
Schéma de principe fonctionnel
