Texas Instruments CNA à échantillonnage RF quadruple AFE7954
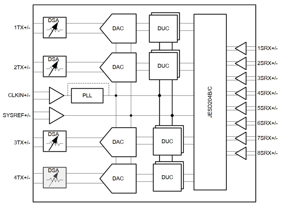
Le convertisseur numérique-analogique (CNA) à échantillonnage RF quadruple AFE7954 de Texas Instruments est un CNA à échantillonnage RF quadruple à large bande passante et hautes performances. Avec un fonctionnement jusqu'à 12 GHz, ce composant permet un échantillonnage RF direct dans les plages de fréquence de bande L, S, C et X. Cette caractéristique est réalisée sans nécessiter d'étapes supplémentaires de conversion de fréquence. Cette amélioration de la densité et de la flexibilité permet de disposer de systèmes multi-missions à nombre élevé de canaux.Les chemins de signal prennent en charge des options d'interpolation et de conversion ascendante numérique qui fournissent jusqu'à 1 200 MHz de bande passante du signal pour quatre CAN (TX) ou 2 400 MHz pour deux CNA. La sortie des DUC (convertisseurs numériques ascendants) pilote un CNA (convertisseur numérique-analogique) 12 GS/s avec une option de sortie en mode mixte pour améliorer le fonctionnement du 2e Nyquist. La sortie CNA comprend un amplificateur à gain variable (TX DSA) avec une plage de 40 dB et des pas analogiques de 1 dB et numériques de 0,125 dB.
Caractéristiques
- CNA de transmission à échantillonnage RF quadruple 12 GS/s
- Largeur de bande maximale du signal RF
- 4 TX : 1 200 MHz
- 2 TX : 2 400 MHz
- Plage de fréquence RF de 600 MHz à 12 GHz
- Atténuateurs à pas numériques (DSA)
- TX : plage de 40 dB, pas de 0,125 dB
- DUC simple ou double bande
- 16 NCO par TX
- PLL/VCO interne optionnel pour CNA ou horloge externe à fréquence d'échantillonnage CNA
- Interface de données SerDes
- Compatible JESD204B et JESD204C
- Huit émetteurs-récepteurs SerDes jusqu'à 29,5 Gb/s
- Synchronisation multi-appareils sous-classe 1
- Boîtier FCBGA de 17 mm × 17 mm, pas de 0,8 mm
Applications
- Radar
- Frontal du demandeur
- Radio de défense
- Infrastructure de communication tactique
- Test de communication sans fil
Schéma de principe fonctionnel
Publié le: 2024-06-21
| Mis à jour le: 2024-06-25
