Texas Instruments Frontal analogique à échantillonnage RF 2T2R AFE7953
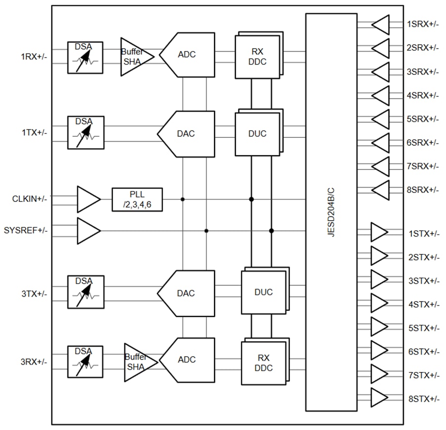
Le frontal analogique (AFE) à échantillonnage RF 2T2R AFE7953 de Texas Instruments est un émetteur-récepteur multicanal, haute performance et large bande passante intégrant deux canaux récepteurs à échantillonnage RF et deux canaux émetteurs à échantillonnage RF. Avec une exploitation jusqu'à 12 GHz, ce composant permet un échantillonnage RF direct dans les plages de fréquence de bande L, S, C et X. Cette caractéristique est réalisée sans nécessiter d'étapes supplémentaires de conversion de fréquence. Cette amélioration de la densité et de la flexibilité permet de disposer de systèmes multi-missions à nombre élevé de canaux.Les chemins de signal TX prennent en charge des options de conversion numérique ascendante et d'interpolation qui fournissent jusqu'à 400 MHz de largeur de bande du signal par canal TX. La sortie des DUC (convertisseurs numériques ascendants) pilote un CNA (convertisseur numérique-analogique) 12 GS/s avec une option de sortie en mode mixte pour améliorer le fonctionnement du 2e Nyquist. La sortie CNA du AFE7951 de Texas Instruments comprend un amplificateur à gain variable (TX DSA) avec une plage de 40 dB et des pas analogiques de 1 dB et numériques de 0,125 dB.
Caractéristiques
- CNA de transmission 12 GS/s à double échantillonnage RF
- CAN de réception 3 GS/s à double échantillonnage RF
- Largeur de bande maximale du signal RF de 400 MHz
- Plage de fréquence RF de 600 MHz à 12 GHz
- Atténuateurs à pas numériques (DSA)
- TX : plage de 40 dB, pas de 0,125 dB
- RX : plage de 25 dB, pas de 0,5 dB
- DUC ou DDC simple ou double bande
- 16 NCO par TX ou RX
- PLL ou VCO interne optionnel pour horloges CNA ou CAN ou horloge externe à fréquence d'échantillonnage CNA ou CAN
- Interface de données SerDes
- Compatible JESD204B et JESD204C
- Huit émetteurs-récepteurs SerDes jusqu'à 29,5 Gb/s
- Synchronisation multi-appareils sous-classe 1
- Boîtier FCBGA de 17 mm × 17 mm, pas de 0,8 mm
Applications
- Radar
- Frontal du demandeur
- Radio de défense
- Infrastructure de communication tactique
- Test de communication sans fil
Schéma de principe fonctionnel
Publié le: 2024-06-21
| Mis à jour le: 2024-06-25
