Texas Instruments Frontal analogique de mesure de tension et de température ADS131B23/Q1
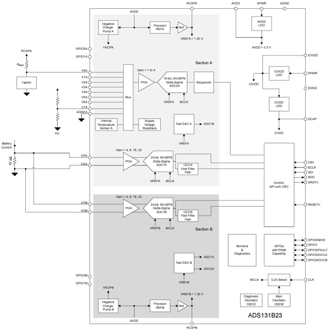
Le frontal analogique (AFE) de mesure de température et de tension ADS131B23/ADS131B23-Q1 de Texas Instruments est une AFE complète pour les systèmes de gestion de batterie industrielle (BMS). Le dispositif intègre deux canaux CAN 24 bits à échantillonnage simultané de haute précision (ADC1A, ADC1B) pour mesurer de manière redondante le courant de la batterie avec une résolution et une précision élevées à l’aide d’une résistance shunt externe. Deux comparateurs numériques indépendants permettent une détection rapide des surintensités en parallèle avec les deux CAN.Un CAN 16 bits multiplexé (ADC2A) supplémentaire est disponible pour mesurer la température de shunt et d'autres tensions dans le système, telles que la tension du bloc de batteries, à l'aide de diviseurs externes à haute tension. La température de shunt est mesurée à l'aide d'un capteur de température externe, tel qu'une thermistance ou un capteur de température de sortie analogique. L'ADC2A est équipé d'un séquenceur de canal qui passe automatiquement par les entrées de multiplexeur configurées pour réduire la communication sur le SPI.
Le composant intègre de nombreuses caractéristiques de surveillance et de diagnostic pour atténuer et détecter les défauts matériels aléatoires afin d'aider au développement de BMS fonctionnels et sûrs. Les régulateurs linéaires internes avec une plage d’entrée jusqu’à 16 V prennent en charge l’alimentation du composant avec des convertisseurs CC-CC non régulés. Le ADS131B23/ADS131B23-Q1 de Texas Instruments est logé dans un boîtier HTQFP à 48 broches et est spécifié pour la plage de température industrielle de -40 °C à +105 °C. Les dispositifs ADS131B23-Q1 sont qualifiés AEC-Q100 pour les applications automobiles.
Caractéristiques
- Deux CAN 24 bits à échantillonnage simultané (ADC1A, ADC1B) pour les mesures de shunt de courant
- Plage à pleine échelle programmable
- De ± 39 mV à ± 312,5 mV
- Prend en charge une large plage de valeurs de résistance shunt et de plages de mesure de courant
- Obtient des mesures de shunt de courant de haute précision avec
- Erreur de décalage ± 1,5 µV (max)
- Dérive du gain 25 ppm/°C (max)
- Débit de données programmable de 500 s/s à 64 kS/s
- Comparateur numérique de surintensité par CAN avec seuils programmables pour une détection rapide des surintensités
- Plage à pleine échelle programmable
- Un CAN 16 bits multiplexé (ADC2A) pour les mesures de tension et de température
- Huit entrées analogiques
- Plage à pleine échelle programmable de ± 312,5 mV à ± 1,25 V
- Séquenceur de canal
- Fonctions de surveillance et de diagnostic pour atténuer et détecter les défauts matériels aléatoires
- Plage de tension d'alimentation de 2,9 V à 16 V
- Interface compatible SPI
- 9 GPIO avec capacité MLI
Applications
- Systèmes de stockage d'énergie par batterie (ESS)
- Mesures de courant-shunt
- Mesures de tension à l'aide de Diviseurs de résistances externes
- Mesures de température à l’aide de thermistances ou de capteurs de température de sortie analogiques
Fiches techniques
Schéma fonctionnel
