Texas Instruments ADS126x/ADS126x-Q1 Analog-to-Digital Converters
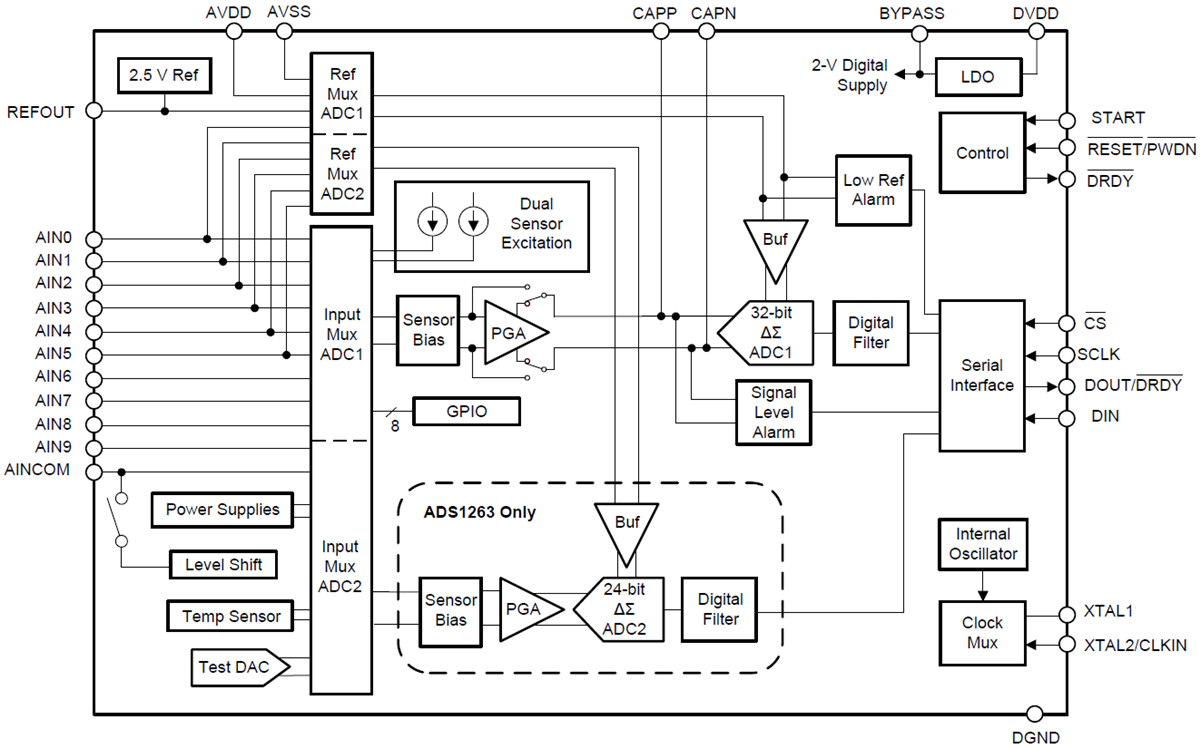
Texas Instruments ADS126x/ADS126x-Q1 Analog-to-Digital Converters (ADCs) are low-noise, low-drift, 38.4-kSPS, delta-sigma (ΔΣ) ADCs. These come with an integrated PGA, reference, and internal fault monitors. The ADS1263 integrates an auxiliary, 24-bit, ΔΣ ADC intended for background measurements. These sensor-ready ADCs provide complete, high-accuracy, one-chip measurement solutions for the most demanding sensor applications. This includes weight scales, strain-gauge sensors, thermocouples, and resistance temperature devices (RTD). These ADCs from Texas Instruments are comprised of a low-noise, CMOS PGA (gains 1 to 32), a ΔΣ modulator, followed by a programmable digital filter. The flexible analog front-end (AFE) incorporates two sensor-excitation current sources suitable for direct RTD measurement. The ADS126x-Q1 devices are AEC-Q100 qualified for automotive applications.Features
- Precision, 32-bit, ΔΣ ADC
- Auxiliary 24-bit, ΔΣ ADC (ADS1263)
- 2.5SPS to 38400SPS data rates
- Differential input, CMOS PGA
- 11 multifunction analog inputs
- High-Accuracy Architecture
- 1nV/°C offset drift
- 0.5ppm/°C gain drift
- 7nVRMS (2.5SPS, Gain = 32) noise
- 3ppm linearity
- 2.5V Internal Voltage Reference
- 2ppm/°C temperature drift
- 50Hz and 60Hz rejection
- Single-cycle settled conversions
- Dual sensor excitation current sources
- Internal fault monitors
- Internal ADC test signal
- 8 general-purpose input/outputs
Applications
- High-resolution PLCs
- Temperature, pressure measurement
- Weight scales and strain-gauge digitizers
- Panel meters, chart recorders
- Analytical instrumentation
Datasheets
Additional Development Tool
Functional Block Diagram
TI Reference Designs Library
Publié le: 2015-07-09
| Mis à jour le: 2023-06-26
