Texas Instruments CAN à faible bruit et faible puissance ADC358x
Les convertisseurs analogique-numérique (CAN) à faible bruit et faible puissance ADC358x de Texas Instruments sont une famille de CAN haut débit 18 bits 65 MS/s à faible bruit et ultra faible puissance. Conçu pour des performances à faible bruit, il offre une densité spectrale de bruit de -160 dBFS/Hz combinée à une excellente linéarité et portée dynamique. L'ADC358x offre une précision CC et une prise en charge d'échantillonnage IF exceptionnelles, ce qui le rend adapté à un large éventail d'applications. Les boucles de contrôle à haute vitesse bénéficient de la latence courte, aussi basse qu'un seul cycle d'horloge. Le CAN consomme seulement 119 mW à 65 MS/s, et sa consommation d'énergie s'adapte bien aux taux d'échantillonnage inférieurs.L'ADC358x de Texas Instruments utilise une interface LVDS (SLVDS) série pour produire les données, ce qui minimise le nombre d'interconnexions numériques. Le composant prend en charge une option à une et deux voies. L'ADC358x est une famille compatible broche à broche avec différents niveaux de vitesse. Il est fourni en boîtier QFN (5 mm x 5 mm) à 40 broches et prend en charge la plage de température industrielle étendue de -40 ºC à +105 ⁰C.
Caractéristiques
- CAN 18 bits 10/25 / 65 MS/s
- Plancher de bruit –160 dBFS/Hz
- ultra-faible puissance de 77 mW (10 MS / s) à 119 mW (65 MS / s) avec une mise à l'échelle de puissance optimisée
- Latence de cycle d'horloge (SLVDS 1-wire)
- 18 bits spécifiés, aucun code manquant
- INL/DNL: ±7/ ±0,7 LSB (std)
- Référence (externe ou interne)
- Bande passante d'entrée de 900 MHz (3 dB)
- Plage de température industrielle de -40 ºC à +105 °C
- Filtre numérique sur puce (facultatif)
- Décimation par 2, 4, 8, 16, 32
- NCO 32 bits
- Interface numérique LVDS série (2, 1 et 1/2 fil(s))
- Boîtier à faible empreinte 40-WQFN (5 mm x 5 mm)
- Performances spectrales (fIN = 1 MHz)
- SNR: 84,5 dBFS
- SFDR: 95dBc HD2, HD3
- SFDR: 100 dBFS
- Performances spectrales (fIN = 20 MHz)
- SNR: 83,5 dBFS
- SFDR: HD2 90 dBc, HD3
- SFDR: 95 dBFS pire harmonique
Applications
- Acquisition de données haut débit
- Supervision industrielle
- Radio paramétrée par logiciel
- Analyseur de qualité de l'alimentation
- Unité de mesure de la source (SMU)
- Infrastructure de communication
- Analyseurs de spectre
- Boucles de contrôle
- Instrumentation
- Imagerie
- Spectroscopie
- Radar
- Sondeur
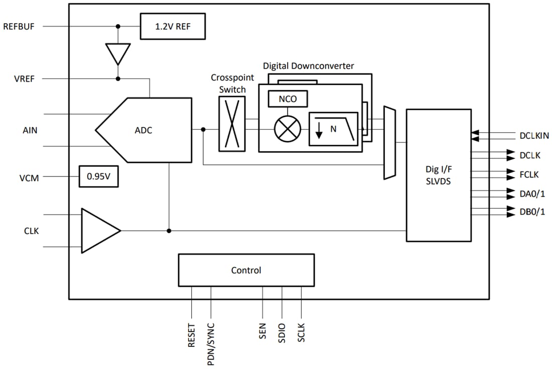
Schéma fonctionnel
Publié le: 2022-12-12
| Mis à jour le: 2023-01-05
