Texas Instruments CAN à faible bruit et faible puissance ADC356x
Les convertisseurs analogique-numérique (CAN) à faible bruit et faible puissance ADC356x de Texas Instruments sont des CAN haut débit 16 bits de 10 MS/s à 65 MS/s. Ces composants fournissent une densité spectrale de bruit de –158 dBFS/Hz combinée à une excellente linéarité et une plage dynamique conçue pour une faible consommation d'énergie. L'ADC356x offre une bonne précision CC et une prise en charge d'échantillonnage IF, ce qui rend le composant adapté à un large éventail d'applications. Les boucles de contrôle à haut débit bénéficient de la latence courte d'un seul cycle d'horloge. La consommation d'énergie du CAN s'adapte bien à des taux d'échantillonnage plus faibles et ne consomme que 122 mW à 65 MS/s.L'ADC356x de Texas Instruments utilise une interface LVDS (SLVDS) série pour produire les données, ce qui minimise le nombre d'interconnexions numériques. Le composant prend en charge des options deux voies, une voie et une demi-voie. Les ADC356x et ADC358x sont des familles compatibles broche-à-broche avec des résolutions de 16 et 18 bits et différentes classes de vitesse. Les composants sont fournis en boîtier QFN (5 mm x 5 mm) à 40 broches et prennent en charge la plage de température industrielle étendue de -40 à +105 ⁰C.
Caractéristiques
- CAN 16 bits de 10 MS/s à 65 MS/s
- Plancher de bruit –158 dBFS/Hz
- Faible consommation électrique de 77 mW (10 MS/s) à 122 mW (65 MS/s)
- Latence de cycle d'horloge (SLVDS 1-wire)
- Spécifié 16 bits, aucun code manquant
- INL : ± 3 LSB ; DNL : ± 0,7 LSB
- Référence (externe ou interne)
- Bande passante d'entrée de 900 MHz (3 dB)
- Plage de température industrielle de -40 °C à +105 °C
- Filtre numérique double bande sur puce (en option)
- Décimation par 2, 4, 8, 16, 32
- NCO 32 bits
- Interface numérique LVDS série (2, 1 et 1/2 fil(s))
- Boîtier à faible empreinte 40-WQFN (5 mm × 5 mm)
- Performance spectrale (fIN = 10 MHz)
- SNR : 81,9 dBFS
- SFDR: 95dBc HD2, HD3
- SFDR: 100 dBFS pire harmonique
Applications
- Acquisition de données haut débit
- Supervision industrielle
- Radio paramétrée par logiciel
- Analyseur de qualité de l'alimentation
- Unité de mesure de la source (SMU)
- Infrastructure de communication
- Analyseurs de spectre
- Boucles de contrôle
- Instrumentation
- Imagerie
- Spectroscopie
- Radar
- Sondeur
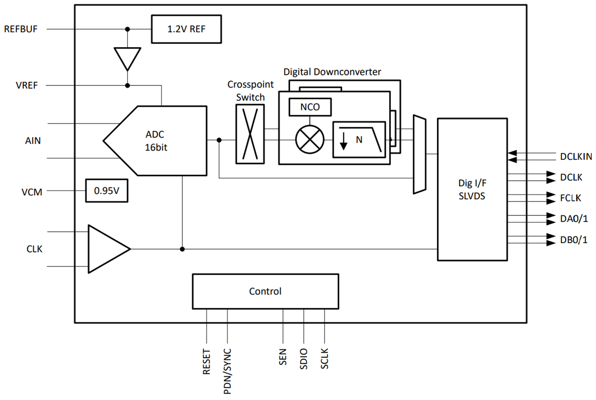
Schéma fonctionnel
Publié le: 2022-12-09
| Mis à jour le: 2023-01-05
