Texas Instruments CAN à échantillonnage RF 14 bits ADC34RF55
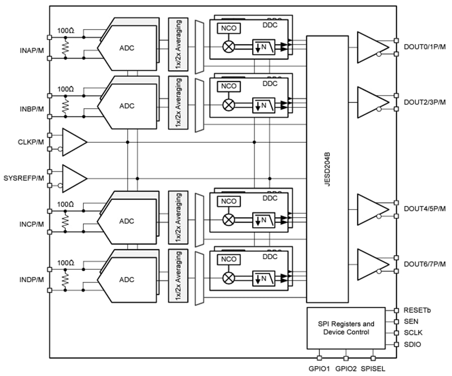
Le convertisseur analogique-numérique (CAN) à échantillonnage RF 14 bits ADC34RF55 de Texas Instruments est un CAN à quatre canaux, 14 bits, 3 GS/s, à un seul cœur qui prend en charge l'échantillonnage RF avec des fréquences d'entrée allant jusqu'à 3 GHz. La conception fournit une densité spectrale de bruit de -156 dBFS/Hz et maximise le rapport signal-bruit (SNR). La densité de bruit s'améliore à -158 dBFS/Hz en utilisant des CAN internes supplémentaires et une moyenne de signal sur puce.Chaque canal du CAN peut être connecté à un convertisseur numérique à double bande (DDC) en utilisant un NCO de 48 bits. Cette caractéristique prend en charge un saut de fréquence cohérent avec la phase, ce qui peut être réalisé en moins de 1 µs en utilisant les broches GPIO ou le réglage de la fréquence NCO. L'ADC34RF55 de Texas Instruments prend en charge l'interface de données série JESD204B avec une latence déterministe de sous-classe 1 utilisant des débits de données allant jusqu'à 13 Gbps. Il n'y a que deux voies SERDES par canal CAN. L'architecture du CAN économe en énergie consomme 1,2 W/canal à 1,5 GS/s et offre une mise à l'échelle de la puissance avec des taux d'échantillonnage plus bas.
Caractéristiques
- CAN 14 bits, quadruple canal 3 GS/s
- Débit de sortie max. de 1,5 GS/s
- Densité spectrale de bruit
- -156 dBFS/Hz sans moyenne
- -158 dBFS/Hz avec une moyenne de 2 fois
- Architecture CAN à cœur unique (non entrelacée)
- Gigue d'ouverture de 50 fs
- Faible bruit de phase résiduel proche de -127 dBc/Hz à un décalage de 10 kHz
- Performance spectrale (fE = 0,9 GHz, -4 dBFS)
- 2x moyenne interne
- SNR : 62,3 dBFS
- SFDR HD2,3: 63dBc
- Pire embranchement du SFDR : 85 dBFS
- Performance spectrale (fIN = 1,8 GHz, -4 dBFS)
- 2x moyenne interne
- SNR : 63 dBFS
- SFDR HD2,3 : 68 dBc
- SFDR du pire embranchement : 86 dBFS
- Plage d'entrée à pleine échelle 1,1/, 1,35 Vpp (2,3,5 dBm)
- Taux d'erreur de code (CER) 10-15
- Largeur de bande d'entrée à pleine puissance 2,75 GHz (-3 dB)
- Interface de données série JESD204B
- Débit maximal de voie : 13 Gbit/s
- Prend en charge la latence déterministe de la sous-classe 1
- Convertisseurs abaisseurs numériques
- Jusqu'à deux DDC par canal CAN
- Sortie complexe : décimation de 4x à 128x
- Fréquence de saut de phase cohérente NCO de 48 bits
- Saut de fréquence rapide : <1 µs
- Consommation d'énergie de 1,2 W/canal
- Alimentations électriques de 1,8 V, 1,2 V
Applications
- Radars à matrice échelonnée
- Radio définie par logiciel (SDR)
- Analyseur de spectre
- Numériseur haute vitesse
- Infrastructures de câbles
- Guerre électronique
- Infrastructure de communication
Schéma fonctionnel
Publié le: 2024-06-18
| Mis à jour le: 2024-06-26
