Texas Instruments CAN à échantillonnage RF ADC34RF52 14 bits
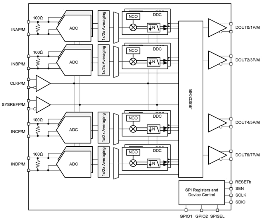
Le convertisseur analogique-numérique (CAN) à échantillonnage RF ADC34RF52 14 bits de Texas Instruments est un CAN monocœur de 14 bits, 1,5 GS/s, à quatre canaux qui prend en charge l'échantillonnage RF avec des fréquences d'entrée allant jusqu'à 2,5 GHz. La conception fournit une densité spectrale de bruit de -153 dBFS/Hz et maximise le rapport signal-bruit (SNR). La densité de bruit s'améliore à -156 dBFS/Hz en utilisant des CAN internes supplémentaires et une moyenne de signal sur puce.Chaque canal du CAN peut être connecté à un convertisseur numérique à double bande (DDC) en utilisant un NCO de 48 bits. Cette caractéristique prend en charge un saut de fréquence cohérent avec la phase, ce qui peut être réalisé en moins de 1 µs en utilisant les broches GPIO ou le réglage de la fréquence NCO. Le convertisseur analogique-numérique ADC34RF52 de Texas Instruments prend en charge l'interface de données série JESD204B avec une latence déterministe de sous-classe 1 utilisant des débits de données allant jusqu'à 13 Gbit/s. Il n'y a que deux voies SERDES par canal CAN. L'architecture CAN économe en énergie consomme 0,73 W/canal à 1,5 GS/s et permet une mise à l'échelle de la puissance avec des taux d'échantillonnage plus faibles.
Caractéristiques
- CAN 14 bits, quadruple canal 1,5 GS/s
- Densité spectrale de bruit
- -153 dBFS/Hz sans moyennage
- -156 dBFS/Hz avec une moyenne de 2 fois
- Architecture CAN à cœur unique (non entrelacée)
- Gigue d'ouverture de 50 fs
- Faible bruit de phase résiduel proche de -133 dBc/Hz à un décalage de 10 kHz
- Performance spectrale (fIN = 900 MHz, -4 dBFS)
- 2x moyenne interne
- SNR : 65,2 dBFS
- SFDR HD2,3 : 74 dBc
- SFDR du pire embranchement de 90 dBFS
- Plage d'entrée à pleine échelle 1,0/1,1 Vpp (1/1,8 dBm)
- Largeur de bande d'entrée à pleine puissance de 1,6 GHz (-3 dB)
- Interface de données série JESD204B
- Débit maximal de voie : 13 Gbit/s
- Prend en charge la latence déterministe de la sous-classe 1
- Convertisseurs abaisseurs numériques
- Jusqu'à deux DDC par canal CAN
- Sortie complexe : décimation de 4x à 128x
- Fréquence de saut de phase cohérente NCO de 48 bits
- Saut de fréquence rapide : <1 µs
- Consommation d'énergie 0,73 W/canal (1x AVG)
- Alimentations électriques de 1,8 V, 1,2 V
Applications
- Radars à matrice échelonnée
- Analyseurs de spectre
- Radio définie par logiciel (SDR)
- Guerre électronique
- Numériseur haute vitesse
- Infrastructure de câblage
- Infrastructure de communication
Schéma fonctionnel
