TE Connectivity Connecteurs industriels SPE T1 IP20
Les connecteurs industriels SPE T1 IP20 de TE Connectivity sont Ethernet à paire unique (SPE), désignant la transmission Ethernet sur une seule paire de fils de cuivre. Ces connecteurs industriels IP20 prennent en charge l’alimentation sur ligne de données (PoDL), ce qui permet d’alimenter le composant à distance à l'aide de la même paire de fils. Les connecteurs SPE T1 disposent d’une communication jusqu’à 1 Gb/s, d’une interface normalisée IEC63171-6, d’une plage de température de fonctionnement -40 °C à 85 °C et d’une tension de fonctionnementCC 60 V. Ces connecteurs industriels IP20 sont plus flexibles et disposent d'un petit diamètre et de câbles moins lourds, permettant à l’application d'aller plus vite et d’utiliser moins d’énergie. Les connecteurs industriels SPE T1 IP20 satisfont les normes CEI 63171-6 et UL1977 et sont idéalement utilisés dans les capteurs, les actionneurs, les commutateurs, les machines et la robotique.Caractéristiques
- Une paire de câbles torsadés
- Communication jusqu'à 1 Gb/s
- Interface normalisée CEI63171-6
- Les câbles de petit diamètre, plus flexibles et moins lourds permettent à l'application d'aller plus vite et d'utiliser moins d'énergie
- Blindage à 360º
- Le petit facteur de forme du connecteur permet la miniaturisation dans les applications de nouvelle génération
- Prise en charge PoDL
- L'assemblage de connecteurs de câble facile et rapide réduit le coût d'installation
- Le connecteur de carte SPE soudable par refusion prend en charge les tout derniers processus d'assemblage industriel
- Le connecteur de câble utilise des contacts à sertir de haute fiabilité qui réduisent les temps d’arrêt
Caractéristiques techniques
- Tension de fonctionnement de 60 VCC
- Tension de résistance diélectrique :
- Contact-contact 1 kV CC
- Tension de résistance diélectrique :
- Blindage de contact RMS 1,5 kV CA
- Contact traversant à braser par refusion THR (carte) et à sertir (câble)
- Plage de températures de fonctionnement : de -40 °C à +85 °C
- Section transversale de conducteurs de 26 AWG à 22 AWG
- Diamètre extérieur de fil de 4,5 mm à 5,5 mm
Applications
- Capteurs
- Actionneurs
- Interrupteurs
- Machines
- Robotique
Schéma dimensionnel de 2364150-1
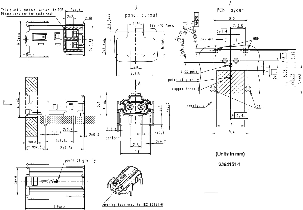
Schéma dimensionnel du 2364151-1
Schéma dimensionnel de 2368258-1 et 2368258-2
Schéma dimensionnel de 2368260-1
Schéma des dimensions du 2368261-1
View Results ( 6 ) Page
| Numéro de pièce | Fiche technique | Produit | Style du raccordement | Tension de voltage | Calibre de fil | Classe IP | Type de produit | Angle de montage | Style de montage |
|---|---|---|---|---|---|---|---|---|---|
| 2364151-1 | ![]() |
Connectors | Solder | 60 VDC | IP20 | Modular Connectors / Ethernet Connectors | Right Angle | Through Hole | |
| 2364150-1 | ![]() |
Connectors | Crimp | 60 VDC | IP20 | Modular Connectors / Ethernet Connectors | Straight | Cable Mount | |
| 2368258-2 | ![]() |
Contacts | Crimp | 22 AWG | Terminals | ||||
| 2368260-1 | ![]() |
Multi-Tools | Crimpers | ||||||
| 2368261-1 | ![]() |
Multi-Tools | Crimpers | ||||||
| 2368258-1 | ![]() |
Contacts | Crimp | 26 AWG | Terminals |
Publié le: 2023-01-24
| Mis à jour le: 2024-02-12

