TE Connectivity Capteurs numériques/analogiques basse pression SMI
Les capteurs numériques/analogiques basse pression SMI de TE Connectivity sont des capteurs MEMS qui produisent une sortie entièrement conditionnée, plusieurs commandes, compensée en pression et en température. Ces capteurs utilisent une technologie de transducteur de pression de pointe et une technologie de traitement de signaux mixtes CMOS. Ces capteurs fournissent un boîtier JEDEC standard SOIC-16 avec des options de portage vertical ou horizontal. Les capteurs numériques/analogiques SMI sont disponibles en configurations de jauge, différentielles et différentielles asymétriques. La pression varie de 0,07 PSI à 2,49 PSI. Ces capteurs présentent un double portage qui permettent une mesure de référence pour minimiser les erreurs dues aux changements de température ambiante.Les capteurs numériques/analogiques basse pression SMI présentent une bande d'erreur totale de ± 1% (numérique) et ±1,5 % (analogique). Ces capteurs peuvent être montés directement sur un circuit imprimé standard, et un signal de pression calibré de haut niveau peut être acquis via l'interface numérique. Cela élimine le besoin de circuiterie supplémentaire, telle qu'un réseau de compensation ou un microcontrôleur contenant un algorithme de correction personnalisé. Les applications typiques incluent les ventilateurs, les instruments de mesure de débit de gaz, les émetteurs de pression, les jauges pneumatiques, les commutateurs de pression et les armoires de sécurité.
Caractéristiques
- Plages de pression de 0,07 PSI à 2,49 PSI
- Type de pression
- Gage
- Différentiel
- Différentiel asymétrique
- Interface numérique et de sortie analogique I2C 16 bits disponible
- Bande d'erreur totale :
- ±1 % FS (numérique)
- ±1,5 % FS (analogique)
- Sortie étalonnée en pression et compensée en température
- Plage de température compensée de -20 °C à 85 °C
Applications
- CPAP / apnée du sommeil
- Ventilateurs
- Instrumentation de débit de gaz
- Mesure du débit d'air
- HVAC / VAV
- Émetteurs de pression
- Manomètres pneumatiques
- Commutateurs de pression
- Armoires de sécurité
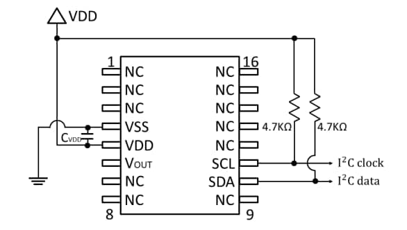
Circuit d'application standard
Publié le: 2025-06-09
| Mis à jour le: 2025-06-11
