TE Connectivity / Measurement Specialties MEAS Weather Shield Development Kit
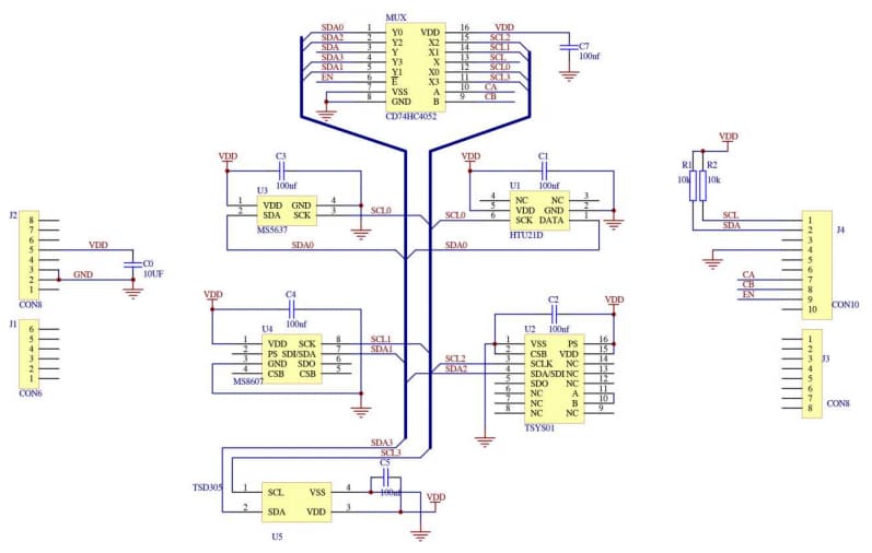
TE Connectivity's (TE) Measurement Specialties MEAS Weather Shield Development Kit provides the necessary hardware to interface the HTU21D digital relative humidity sensor, MS5637 digital barometric pressure sensor, TSYS01 digital temperature sensor, MS8607 digital relative humidity and digital pressure sensor, and TSD305-1C55 digital thermopile sensor to any system that utilizes Arduino compatible expansion ports configurable for I2C communication. TE's MEAS Weather Shield Development Kit includes 64 plug hole pads that can be used for soldering external devices, then plug on the motherboard for testing.Features
- Provides the necessary hardware to interface sensors to any system that utilizes Arduino compatible expansion ports configurable for I2C communication
- Includes HTU21D digital relative humidity sensor, MS5637 digital barometric pressure sensor, TSYS01 digital temperature sensor, MS8607 digital relative humidity and digital pressure sensor, and TSD305-1C55 digital thermopile sensor
- 64 plug hole pads that can be used for soldering external devices, then plug on the motherboard for testing5
Schematic
Publié le: 2016-08-09
| Mis à jour le: 2024-12-19
