TE Connectivity Filtres EMI triphasés à usage général KEB et KES
Les filtres EMI triphasés à usage général KEB et KES de TE Connectivity (TE) sont des dispositifs à simple étage en versions à 3 fils en triangle et à 4 fils en étoile (KES). Les filtres EMI triphasés à usage général KEB et KES de TE disposent de bornes embrochables, à tige ou antichocs avec une plage de courant de 1 A à 150 A et une plage de fonctionnement continu maximale de 440 VCA /520 VCA. Les applications comprennent l'automatisation industrielle, l'HVAC, les redresseurs et les machines de contrôle numérique par ordinateur (CNC).Caractéristiques
- Un étage, trois fils en triangle (KEB) et quatre fils en étoile (KES)
- Bornes résistantes aux chocs, goujons ou à fourche
- Usage général (triphasé avec neutre)
- Performance d'affaiblissement standard
- Montage sur châssis
- Reconnu UL et certifié CSA
Applications
- Automatisation industrielle
- CVC
- Redresseurs (KEB)
- Machines CNC (KES)
Caractéristiques techniques
- Tension d'exploitation continue maximale de 440 VCA ou 520 VCA
- Courant nominal de 1 A à 150 A à +40 °C
- Fréquence de fonctionnement de 50 Hz ou 60 Hz
- Plage de température de fonctionnement de -25 °C à +85 °C
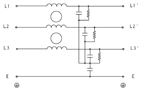
Schéma de circuit KEB
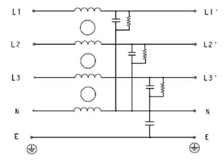
Schéma de circuit KES
Publié le: 2020-09-16
| Mis à jour le: 2024-10-09
