TDK InvenSense Dispositif de suivi de mouvement IIM-42653SmartIndustrial™
Le dispositif de suivi de mouvement à 6 axes IIM-42653 TDK InvenSense de SmartIndustrial™ prend en charge une plage de température de fonctionnement étendue de -40 °C à +105 °C. Ce composant combine un gyroscope triaxial et un accéléromètre triaxial dans un boîtier compact 2,5 mm x 3 mm x 0,91 mm. Le composant IIM-42653 dispose d’une FIFO 2 KB qui réduit le trafic sur l’interface de bus série et réduit la consommation d’énergie en permettant au processeur système de lire les données du capteur et de passer en mode basse consommation. Une entrée d’horloge externe de haute précision est prise en charge pour réduire les erreurs de sensibilité au niveau du système, améliorant la mesure de l’orientation globale à partir des données du gyroscope. L’interface hôte peut prendre en charge les modes sous-hôte I3CSM, sous-hôte I2C ou sous-hôte SPI. L’interface I3CSM permet des vitesses pouvant atteindre 12,5 MHz, tandis que l’interface I2C prend en charge des vitesses pouvant atteindre 1 MHz ; l’interface SPI prend en charge des vitesses pouvant atteindre 24 MHz. Le dispositif de suivi de mouvement SmartIndustrial à 6 axes IIM-42653 de TDK InvenSense est adapté aux applications de navigation, d’orientation, de détection d’inclinaison et de robotique.Caractéristiques
- Accéléromètre à axes X, Y et Z et sortie numérique
- Capteurs de vitesse angulaire (gyroscopes) à axes X, Y et Z à sortie numérique
- Interruptions programmables par l'utilisateur
- Interface sous-hôte I3CSM /I2C/SPI
- Capteur de température à sortie numérique
- Boîtier compact et mince
- Structure MEMS hermétiquement scellée et liée au niveau de la tranche
Applications
- Navigation
- Mesure d’orientation
- Détection de l'inclinaison
- Stabilisation de la plateforme
- Robotique
Caractéristiques techniques
- Boîtier LGA 14 broches
- Plage de tension de fonctionnement de 1,71 V à 3,6 V
- Dimensions de 2,5 mm x 3 mm x 0,91 mm
- Résistant aux chocs jusqu'à 20 000 g
- Conforme RoHS et écologique
- Plage de température de fonctionnement de -40 °C à +105 °C
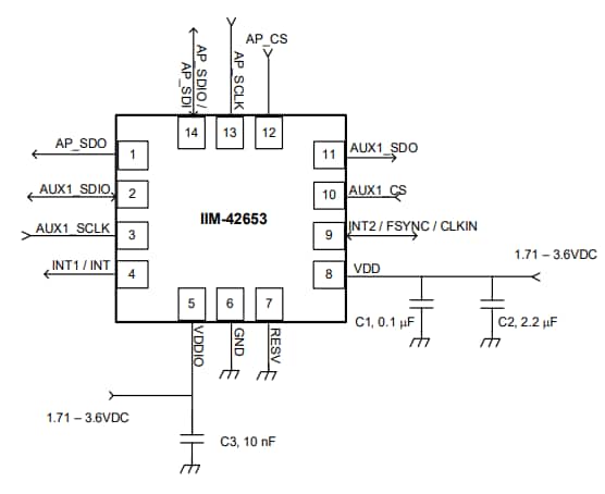
Circuit de fonctionnement standard
Publié le: 2024-03-20
| Mis à jour le: 2024-08-29
