EPCOS / TDK Filtres CEM de puissance B84252 CarXield
Les filtres CEM de puissance CarXield B84252 de TDK sont conçus pour offrir une suppression EMI exceptionnelle dans les applications de ligne d'alimentation électrique. Le B84252A0200A000 fonctionne sous une tension nominale de 500 V CC et à un courant nominal de 200 à 400 A, le B84252B0400A000 sous une tension nominale de 1000 VCC et à un courant nominal de 400 A. Ces deux filtres offrent un affaiblissement élevé et des conceptions compactes. Les filtres CarXield sont idéaux pour le réglage silencieux des bruits EMI, garantissant l'exploitation fiable des équipements sensibles en supprimant efficacement les bruits de mode commun et de mode différentiel. Les filtres CEM d'alimentation B84252 CarXield TDK présentent un circuit de décharge passif, une installation facile, une conception compacte et une résistance aux conditions ambiantes sévères.Caractéristiques
- Circuit de décharge passive
- Facile et rapide à installer
- Conception compacte
- Conditions ambiantes difficiles
- Condensateurs Y2 utilisés
- Condensateurs X2 utilisés (uniquement B84252A0200A000)
Applications
- Différentes topologies
- Convertisseurs de moteur
- Batterie
- Réduction du bruit EMI
- Véhicules électriques commerciaux et de passagers
Caractéristiques techniques
- Commun
- Plage de température de fonctionnement de -40 °C à +85 °C
- Indice de protection IP00
- Indice d'inflammabilité UL 94V-0
- Boîtier en métal/Couvercle en plastique
- Construit avec des noyaux nanocristallins
- Compatibilité Directive RoHS, REACH et GADSL
- B84252A0200A000
- Tension nominale de 500 VCC
- Courant nominal de 200 A à 400 A
- B84252B0400A000
- Tension nominale de 1000 VCC
- Courant nominal 400 A
Fiches techniques
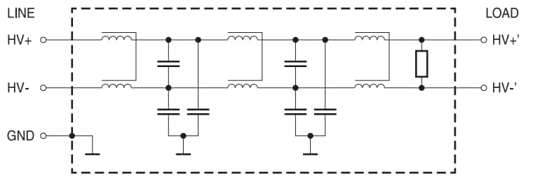
Schéma de circuit standard
Vidéos
Publié le: 2025-05-08
| Mis à jour le: 2025-12-19
