EPCOS / TDK Contacteur haute tension HVC27-500C-24P
Le contacteur haute tension HVC27-500C-24P d’EPCOS / TDK est rempli de gaz pour la commutation CC haute tension et offre une plage de température de fonctionnement de -40 °C à +85 °C. Ce contacteur est doté d’une seule bobine de 24 V, de bornes principales sans polarité, d’une tension nominale de 1000 VCC et d’un courant nominal de 500 A. Le contacteur haute tension EPCOS / TDK HVC27-500C-24P est adapté aux systèmes de batteries de traction, aux systèmes de stockage d'énergie électrique (ESS) et aux systèmes de charge rapide CC.Caractéristiques
- Bobine simple
- Borne de bobine avec varistance
- Bornes principales sans polarité (bidirectionnelles)
- Compatible avec la directive RoHS
Applications
- Systèmes de batterie de traction
- ESS
- Stations de recharge rapide CC
Caractéristiques techniques
- Disposition des contacts de 1 A
- Écartement des contacts internes de 3,2 mm
- Tension d'exploitation maximale de 1000 VCC
- Résistance de contact standard de 0,125 mΩ à 100 A CC
- Résistance d'isolement de ≥1 GΩ
- Plage de température de fonctionnement de -40 °C à +85 °C
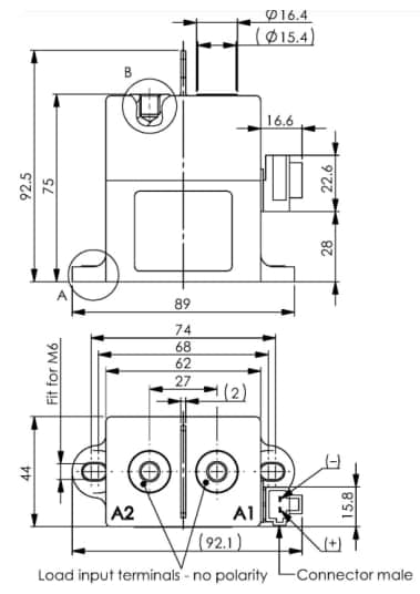
Dimensions
Publié le: 2025-02-05
| Mis à jour le: 2025-12-16
