EPCOS / TDK Bobines d’arrêt de ligne de signal et de données ADF32T
Les bobines d’arrêt de ligne de signal et de données ADF32T EPCOS/TDK offrent une tension nominale de 42 VCA et 80 VCC et sont homologuées selon les normes AEC-Q200. Ces bobines d’arrêt disposent d’une construction à cœur I en ferrite avec blindage en ferrite et bobinage de fil en cuivre émail soudé aux bornes. Les bobines d’arrêt ADF32T sont adaptées au brasage sans plomb, tel que référencé dans JEDEC J-STD 020E et ont une plage de température pouvant atteindre +125 °C. Les bobines d’arrêt de ligne de signal et de données ADF32T EPCOS/TDK sont adaptées à l’électronique automobile et aux interfaces de bus haut débit.Caractéristiques
- Homologué AEC-Q200
- Adéquats pour brasage à reflux sans plomb
- Bornes étamées, montées sur un seul côté du composant
Applications
- Électronique automobile
- interfaces de bus haut débit
Caractéristiques techniques
- Construction
- Noyau de ferrite en I, blindage en ferrite
- Enroulement de fil de cuivre émaillé
- Enroulement soudé aux bornes
- Plage de température jusqu'à +125°C
- Tension nominale 42 VCA et 80 VCC
- 4,7 µH inductance
- Compatible RoHS
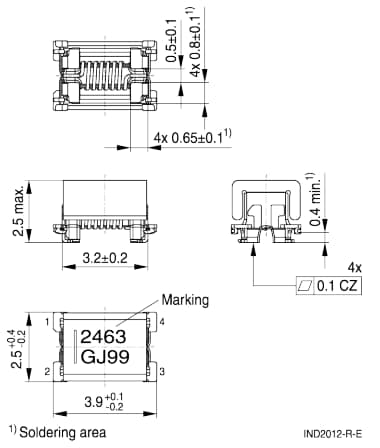
Dimensions (mm)
Publié le: 2024-04-30
| Mis à jour le: 2024-05-01
