TDK-Lambda Convertisseurs abaisseurs CC-CC RVB
Les convertisseurs abaisseurs CC-CC RVB de TDK-Lambda sont des convertisseurs CC-CC non isolés qui présentent une densité de puissance élevée de 750 W dans un boîtier à broche 1/16e de brique. Les convertisseurs sont encapsulés dans un boîtier en aluminium à cinq côtés, ce qui améliore la note EMI. La série RGB est qualifiée pour MIL-STD-810G pour les chocs et les vibrations, ce qui les rend adaptés aux applications sans ventilateur, refroidies par conduction. Les convertisseurs offrent une large plage de tension d'entrée et une capacité d'ajustement de la tension de sortie pour prendre en charge plusieurs tensions de système. Les convertisseurs abaisseurs CC-CC RGB de TDK-Lambda offrent diverses fonctionnalités intégrées, notamment l’activation/désactivation à distance, la détection à distance, l’ajustement de la sortie et la limite de courant de sortie réglable. Les convertisseurs CC-CC RGB sont une solution polyvalente pour diverses industries de l'énergie telles que les commerciaux sur étagère (COTS), les communications, la diffusion, la robotique et les tests et mesures.Caractéristiques
- Capacité de puissance jusqu’à 750 W dans un boîtier à broche 1/16e de brique.
- Le boîtier métallique encapsulé à cinq faces améliore l’EMI.
- Déploiement robuste dans des environnements difficiles
- Adapté à une exposition élevée aux chocs et aux vibrations
- Rendement jusqu’à 98,5 %
- La faible consommation électrique se traduit par une longue vie de la batterie
- Large réglage de la tension de sortie
- Une partie prend en charge plusieurs tensions système
- Large plage de tension d'entrée
- Fonctionne à partir de différentes tensions d'entrée en CC
- La limite du courant réglable réduit le stress exercé sur la source d’entrée, le convertisseur et la charge.
Applications
- Industriel
- COTS
- Test et mesure
- Communications
- Diffusion
- Robotique
Caractéristiques techniques
- Plage de tension d’entrée de 9 V à 60 V
- Plage de tension de sortie de 0,8 V à 24 V
- Plage de courant maximal de 33 A à 60 A
- Plage de puissance maximale de 400 W à 750 W
- Fréquence de commutation 330 kHz
- Plage de température de fonctionnement : de -40 °C à +115 °C
- Plage de température de stockage : de -55°C à +125°C
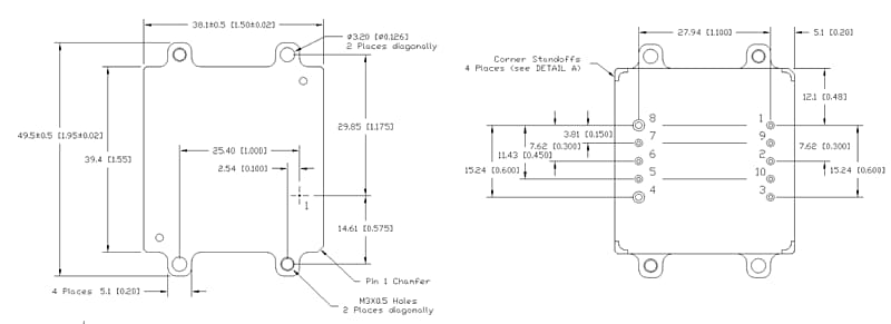
- Dimensions de 38,1 mm x 49,5 mm x 13 mm
- Certifié CE, UKCA
- Conforme à la directive RoHS
Circuit d'application standard
Schéma mécanique
Publié le: 2024-06-25
| Mis à jour le: 2024-08-15
