Tamura 2LG-C Gate Driver Units
Tamura 2LG-C Gate Driver Units are designed for Mitsubishi Electric IGBT module LV100 (industrial). These driver units include a built-in isolated DC/DC converter and integrated gate drive circuit. The 2LG-C driver units (leader units) feature two outputs, 140ns delay time, soft turn-off function, 5kVAC insulation voltage, thermistor isolated circuit, and 18pF typical stray capacity. These gate driver units operate within the -40°C to 85°C temperature range and 20% RH to 95% RH ambient humidity range (non-condensing). The 2LG gate driver units are used in inverters, robots, battery chargers, PV inverters, and welding machines.The 2LG-C follower units are connected in parallel with the gate driver units (leader units) to drive multiple power modules. These boards feature a soft turn-off function and insulating moisture-proof coating. The 2LG-C follower units operate within -40°C to 85°C temperature range and 20% RH to 95% RH ambient humidity range (non-condensing).
Features
- Can be mounted with Mitsubishi Electric IGBT module LV100 (industrial)
- Include built-in DC-DC converter and integrated gate driver
- Connected in parallel with the follower board to drive multiple power modules
Specifications
- Leader units:
- 13VDC to 28VDC input voltage range
- 3.3VDC to 16VDC logic input voltage range or 16VDC maximum logic input voltage
- Two outputs
- 9.5V typical short circuit detection voltage
- 140ns delay time
- Desaturation protection
- 5kVAC insulation voltage
- 18pF typical stray capacity
- 5000VAC I/O dielectric withstanding voltage
- Soft turn-off function
- Can select direct mode and half-bridge mode
- Thermistor isolated circuit
- -40°C to 90°C storage temperature range
- 20% RH to 95% RH (non-condensing) operating ambient humidity range
- 5% RH to 95% RH (non-condensing) storage ambient humidity range
- Follower units:
- Soft turn-off function
- -40°C to 85°C operating temperature range
- -40°C to 90°C storage temperature range
- 20% RH to 95% RH (non-condensing) operating ambient humidity range
- 5% RH to 95% RH (non-condensing) storage ambient humidity range
Applications
- Inverters
- PV inverters
- Motor control units
- Battery chargers
- Robots
- Welding machines
- Industrial power supplies
- Wind power generation
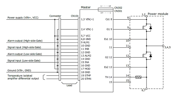
Application Circuit Diagram (Leader Units)
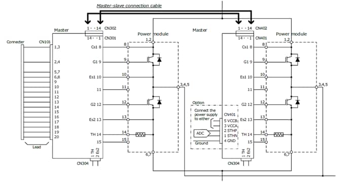
Application Circuit Diagram (Follower Units)
Additional Resources
Publié le: 2024-07-02
| Mis à jour le: 2024-08-20
